EasyManua.ls Logo

Megger TTR20 - Figure 4-3 Setup for Testing Single-Phase, Type a Step Voltage Regulator; Figure 4-4 Setup for Testing Single-Phase, Type B Step Voltage Regulator

Megger TTR20
60 pages
Print Icon
To Next Page IconTo Next Page
To Next Page IconTo Next Page
To Previous Page IconTo Previous Page
To Previous Page IconTo Previous Page
Loading...
M
AVTMTTR20 Rev 4 Dec 2015
14
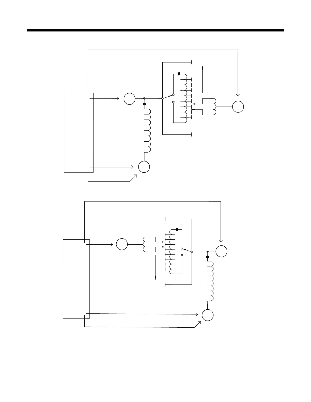
Figure 4-3 Setup for Testing Single-Phase, Type A (Straight Design) Step Voltage Regulator
Figure 4-4 Setup for Testing Single-Phase, Type B (Inverted Design) Step Voltage Regulator
TTR20
H1 LEAD
H2 LEAD
X2 LEAD
X1 LEAD
S
SOURCE
"RAISE"
DIRECTION
SERIES
WINDING
L
LOAD
SHUNT
WINDING
SL
COMMON
L
R
TTR20
H1 LEAD
S
SOURCE
SHUNT
WINDING
SL
COMMON
SERIES
WINDING
L
R
LOAD
"RAISE"
DIRECTION
L
X1 LEAD
H2 LEAD

Table of Contents