EasyManua.ls Logo

Mercury 30E - Page 114

Mercury 30E
123 pages
Print Icon
To Next Page IconTo Next Page
To Next Page IconTo Next Page
To Previous Page IconTo Previous Page
To Previous Page IconTo Previous Page
Loading...
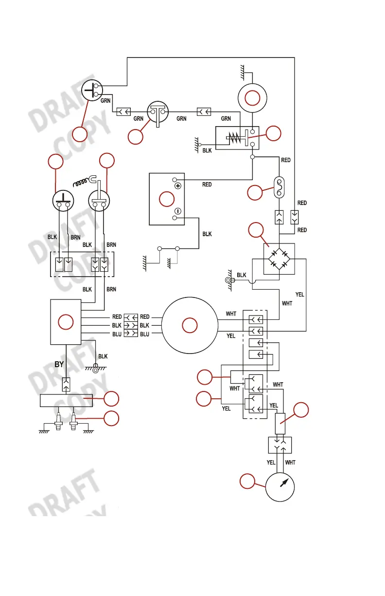
WIRING DIAGRAMS
106
37843
1
2
3
4
5
6
7
8
9
10
11
12
13
14
15
16
17

Table of Contents

Related product manuals