EasyManua.ls Logo

Mercury MerCruiser MIE 7.4L MPI - Page 704

Mercury MerCruiser MIE 7.4L MPI
1027 pages
To Next Page IconTo Next Page
To Next Page IconTo Next Page
To Previous Page IconTo Previous Page
To Previous Page IconTo Previous Page
Loading...
SERVICE MANUAL NUMBER 23
TROUBLE CODE DIAGNOSTICS - 454/502 MAG MPI & 8.2L MPI
90-861326--1 MARCH 1999 Page 5F-7
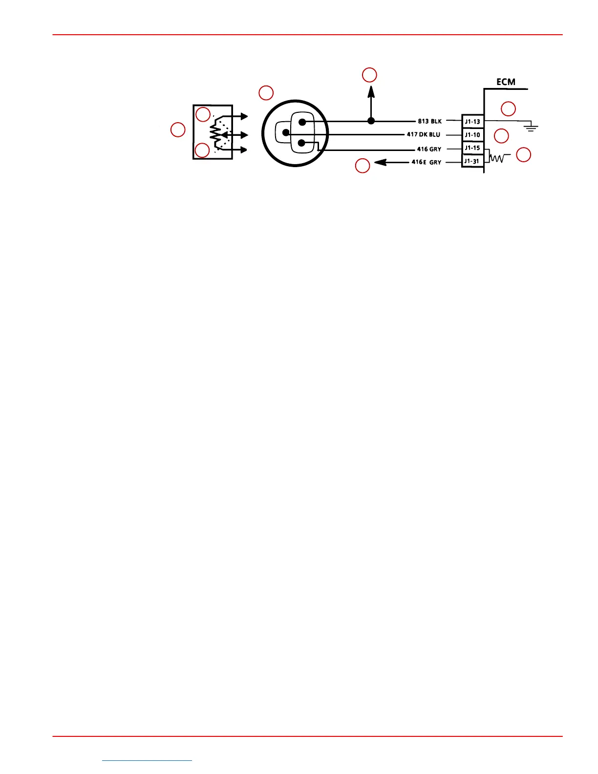
Code 21 (1 of 2): Throttle Position (TP) Sensor Circuit (Non-Scan)
B
C
A
A
C
B
b
c
d
e
f
g
a
h
i
a-Throttle Position Sensor
b-Front View Of Connector
c-To IAT Sensor
d-To Map Sensor
e-Sensor Ground
f-TP Signal
g-5V Reference
h-Wide Open Throttle
i-Idle
CIRCUIT DESCRIPTION:
The Throttle Position (TP) sensor provides a voltage signal that changes, relative to the
throttle blade. Signal voltage should vary from about .7 volts at idle to about 4.8 volts at Wide
Open Throttle (W.O.T.).
DIAGNOSTIC AIDS:
An intermittent problem may be caused by a poor or corroded connection, rubbed through
wire connection, a wire that is broken inside the insulation, or a corroded wire.
Any circuitry that is suspected as causing the intermittent complaint should be thoroughly
checked for backed-out terminals, improper mating, broken locks, improperly formed or
damaged terminals, poor terminal-to-wiring connections, corroded terminals and/or wiring,
or physical damage to the wiring harness. After repairs, clear codes following “Clearing
Codes” procedure at the front of this section. Failure to do so may result in codes not
properly being cleared. If Code 23 is also set, check CKT 813 for faulty wiring or
connections. Check terminals at sensor for good contact.
TEST DESCRIPTION:
Number(s) below refer to step number(s) on the diagnostic table.
Step 2. This step checks for a voltage from terminal “A” (5 volt reference) to terminal “B”
(sensor ground).
Step 3. This step determines if the TP sensor signal circuit to the ECM is open.
Step 4. This step completes the test for the ECM and wiring. If the test light is not ON, the
TP sensor has an internal problem.
Step 6. This step will identify if the problem is in the supply or ground circuit.
Downloaded from https://needmanual.com/!
Index

Table of Contents

Related product manuals