EasyManua.ls Logo

Mercury MerCruiser MIE 7.4L MPI - Page 708

Mercury MerCruiser MIE 7.4L MPI
1027 pages
To Next Page IconTo Next Page
To Next Page IconTo Next Page
To Previous Page IconTo Previous Page
To Previous Page IconTo Previous Page
Loading...
SERVICE MANUAL NUMBER 23
TROUBLE CODE DIAGNOSTICS - 454/502 MAG MPI & 8.2L MPI
90-861326--1 MARCH 1999 Page 5F-11
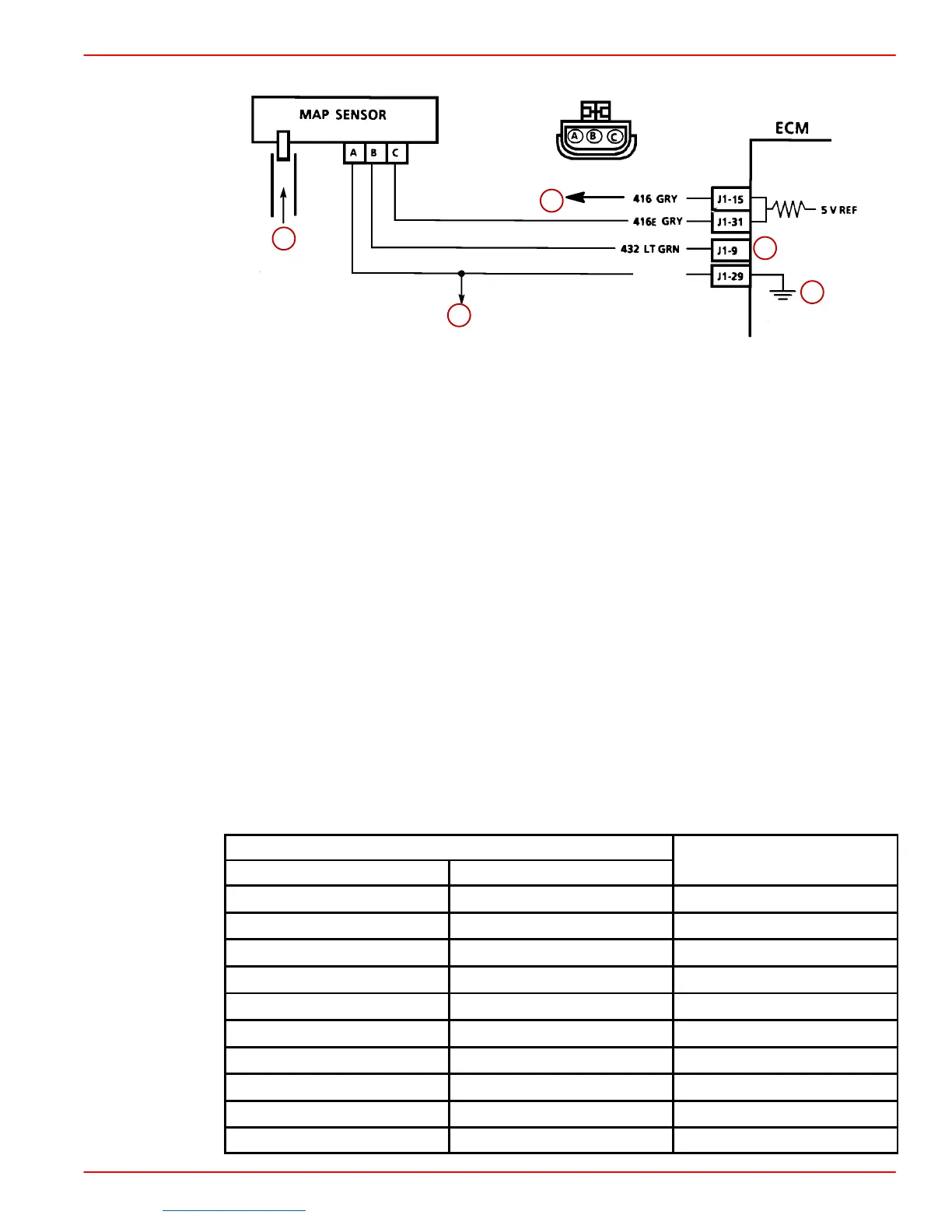
Code 33 (1 of 3): Manifold Absolute Pressure (MAP) Sensor Circuit (Non-Scan)
814 BLK
a
b
c
d
e
a-Manifold Absolute Pressure (Vacuum)
b-To ECT Sensor
c-To TP Sensor
d-Map Signal
e-Map And ECT Ground
CIRCUIT DESCRIPTION:
The Manifold Absolute Pressure (MAP) sensor responds to changes in manifold pressure
(vacuum). The ECM receives this information as a signal voltage that will vary from about
1-1.5 volts at closed throttle idle, to 4-4.8 volts at Wide Open Throttle (low vacuum).
If the MAP sensor fails, the ECM will substitute a fixed MAP value and use the engine rpm
to control fuel delivery.
DIAGNOSTIC AIDS:
An intermittent problem may be caused by a poor or corroded connection, rubbed through
wire connection, a wire that is broken inside the insulation, or a corroded wire.
Any circuitry that is suspected as causing the intermittent complaint should be thoroughly
checked for backed-out terminals, improper mating, broken locks, improperly formed or
damaged terminals, poor terminal-to-wiring connections, corroded terminals and/or wiring,
or physical damage to the wiring harness. After repairs, clear codes following “Clearing
Codes” procedure at the front of this section. Failure to do so may result in codes not
properly being cleared. If Code 14 is also set, check for open ground CKT 814.
MAP Sensor
Altitude
Voltage Range
Feet Meters
Voltage
Range
Below 1000 Below 305 3.8-5.5
1000-2000 305-610 3.6-5.3
2000-3000 610-914 3.5-6.1
3000-4000 914-1219 3.3-5.0
4000-5000 1219-1524 3.2-4.8
5000-6000 1524-1829 3.0-4.6
6000-7000 1829-2133 2.9-4.5
7000-8000 2133-2438 2.8-4.3
8000-9000 2438-2743 2.6-4.2
9000-10000 2743-3048 2.5-4.0
Downloaded from https://needmanual.com/!
Index

Table of Contents

Related product manuals