EasyManua.ls Logo

Mesa Amp - SUGGESTED WIRING #4

Mesa Amp
48 pages
Print Icon
To Next Page IconTo Next Page
To Next Page IconTo Next Page
To Previous Page IconTo Previous Page
To Previous Page IconTo Previous Page
Loading...
PAGE 31
BA
INPUTS
INPUT LEVEL
L
I
N
E
I
N
S
T
SPEAKERS
B
A
8 OHMS
4 OHMS
4 OHMS
MODERN
DEEP
EXTEND
HALF
DRIVE
4
3
SWITCH RECORD OUTPUT RETURN FX LOOP
SEND
B
A
OFF
IN
MIDI
THRU
OUT
ON/LIFT
ON GROUND
1
2
3
2
1
UN-SHIELDED
CABLE
SHIELDED
CABLE
MIDI FOOT-CONTROLLER
INST
INPUT
SHIELDED
CABLE
GUITAR
TUNER
LROUTPUT
LRINPUT
3
2
1
3
2
1
"Y"
CABLE
SHIELDED
CABLE
SHIELDED
CABLE
IN
IN
MIDI
OUT
CHANNEL A
OUT
IN
CHANNEL B
OUT
IN
B
A
8 0HMS
1 X 12 Extension Cab
3
2
1
UN-SHIELDED
CABLE
8 0HMS
1 X 12 Extension Cab
7-PIN
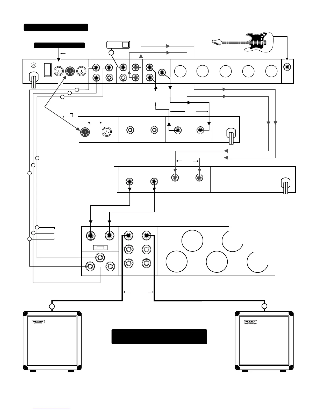
STEREO SIMUL - CLASS 2: NINETY
STEREO (MONO) COMPRESSOR/LIMITER
STEREO (MONO) MULTI EFFECTS UNIT
NOTE: COMPRESSOR IN PROGRAMMABLE
LOOP - FX IN PRE - POWER CHAIN.
SUGGESTED WIRING #4

Related product manuals