EasyManua.ls Logo

Mesa Amp - SUGGESTED WIRING #5

Mesa Amp
48 pages
Print Icon
To Next Page IconTo Next Page
To Next Page IconTo Next Page
To Previous Page IconTo Previous Page
To Previous Page IconTo Previous Page
Loading...
PAGE 32
BA
INPUTS
INPUT LEVEL
L
I
N
E
I
N
S
T
SPEAKERS
B
A
8 OHMS
4 OHMS
4 OHMS
MODERN
DEEP
EXTEND
HALF
DRIVE
4
3
SWITCH RECORD OUTPUT RETURN FX LOOP
SEND
B
A
OFF
IN
MIDI
THRU
OUT
ON/LIFT
ON GROUND
1
2
3
2
1
UN-SHIELDED
CABLE
SHIELDED
CABLE
MIDI FOOT-CONTROLLER
INST
INPUT
GUITAR
TUNER
IN
MIDI
OUT
LROUTPUT
LRINPUT
3
2
1
3
2
1
CHANNEL A
OUT
IN
CHANNEL B
OUT
IN
SHIELDED
CABLE
IN
IN
OUT
SHIELDED
CABLE
"Y"
CABLE
SHIELDED CABLE
A
B
(MONO)
8 0HMS
1 X 12 Extension Cab
3
2
1
UN-SHIELDED
CABLE
8 0HMS
1 X 12 Extension Cab
SHIELDED CABLE
7-PIN
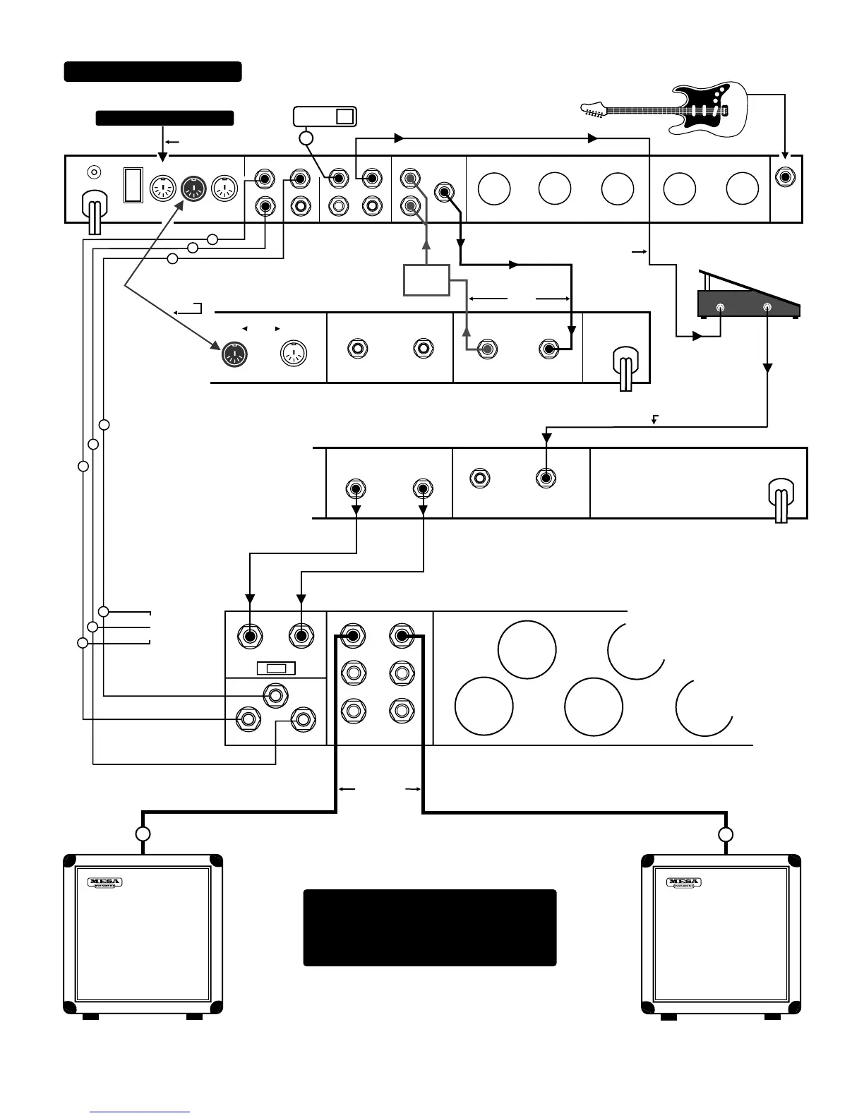
STEREO SIMUL - CLASS 2: NINETY
STEREO (MONO) COMPRESSOR/LIMITER
STEREO (MONO) MULTI EFFECTS UNIT
NOTE: USING A VOLUME PEDAL ALONG
WITH FX UNIT WHEREBY THE TONAL
CHARACTER OF THE AMP IS THE LEAST
ALTERED...(between the Pre & Power Amp).
SUGGESTED WIRING #5

Related product manuals