EasyManua.ls Logo

Meyer PV Series - Page 33

Meyer PV Series
92 pages
Print Icon
To Next Page IconTo Next Page
To Next Page IconTo Next Page
To Previous Page IconTo Previous Page
To Previous Page IconTo Previous Page
Loading...
PV SERIES
INSTALLATION AND INSTRUCTIONAL MANUAL
PV SERIES
TM
MATERIAL:
SCALE
TITLE
DRAWING SIZE
D
DRAWING No:
LINDENWOOD ILLINOIS
WHERE USED
CADD FILENAME:
REF. DRAWING
DR BY
APPV BY
DATE
APPVBYDATEPIF#
REV
REVISION
NOTED)
(EXCEPT AS
DO NOT SCALE DRAWING
DATE
*********************
ProE Drawing
This drawing was
created in ProE.
The orginial drawing
should only be
edited in ProE.
*********************
20.000± .500
00002-562-00
DETAIL, ASSEMBLY
PV356 B&S
SHEET 2 OF 2
SEE TABLE ON SHEET 1
PV356
S:\00002\
00002-562-00
D0000253300
0.100
JKG 5/19/2010
JKG 5/19/2010
TABD
PART WEIGHT
CLUTCH
BLACK
WHITE FROM
ITEM #59
WHITE FROM
ITEM #23
BLACK
24
86
ROUTE THREE WIRES
THRU ITEM #35
CONNECT ALL FOUR GROUND
WIRES (BETWEEN FLANGE NUTS,
ON UNDERSIDE OF ENGINE PLATE)
TO SAME SOLENOID MTG. BOLT
DETAIL, GROUND WIRING
SCALE .250
DETAIL, ACTUATOR &
THROTTLE ASSEMBLY
SCALE .250
DETAIL, WIRING ASSEMBLY,
SCALE .375
23
INSTALL PROTECTIVE CAP AFTER
RUN TESTING SPREADER
BLUE
YELLOW
(TO CENTER STUD ON SOLENOID)
RED
(REF) FUSE HOLDER W / 15A FUSE
36
33 20
RED
85 20
RED
GROUND
GREEN / BLACK
CONNECT TO THROTTLE ACTUATOR
BROWN
WHITE
4
CONNECT TO ENGINE
KILL WIRE
(NEAR SPARK PLUG)
CONNECT TO SOLENOID
MTG. BOLT
66
35
(REF) SINGLE POLE WEATHER
PACK CONNECTOR ITEMS #23
& #59
REMOVE 4" EXTENSION SUPPLIED
WITH ITEM #23, AND DISCARD
THROTTLE ACTUATOR ADJUSTMENT
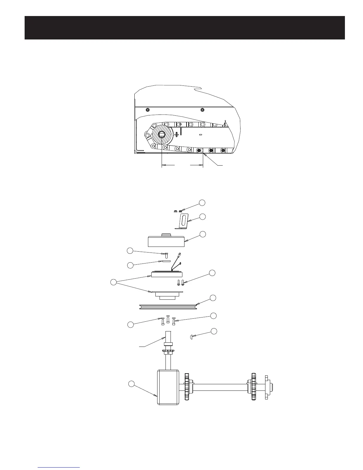
1. LOOSEN THREE MOUNTING SCREWS AND NUTS ON THROTTLE ACTUATOR.
2. USING SPREADER CONTROL, MOVE THROTTLE TO FULL CHOKE POSITION (RABBIT).
3. SLIDE ACTUATOR IN CORRECT DIRECTION (TOWARDS HOPPER) UNTIL ENGINE
LINKAGE HAS MOVED TO FULL CHOKE. DO NOT PUT EXCESSIVE FORCE ON LINKAGE ROD.
4. TIGHTEN THREE MOUNTING SCREWS AND NUTS.
5. TETS RUN ENGINE FOR FULL CHOKE ENGAGEMENT.
NOTES:
1. NEATLY SECURE ALL WIRING AWAY
FROM ALL MOVING PARTS & HOT
SURFACES.
2. APPLY DIEELECTRIC GREASE
TO ALL ELECTRICAL CONNECTIONS.
3. DO NOT SECURE ANY WIRES TO
FUEL LINE.
4. USE NYLON TIES (ITEM #71)
TO "BUNDLE" WIRES FOR
SELF SUPPORT.
5. THE SHORT YELLOW JUMPER WIRE
ON ITEM #23 SHOULD NOT BE REMOVED.
THIS IS THE REQUIRED CONNECTION FOR
B&S.
6. THE SHORT BROWN JUMPER WIRE
ON ITEM #23 SHOULD BE REMOVED AND
REPLACED WITH ITEM #4.
DETAIL, PROP ROD
CLAMP ASSEMBLY
SCALE 1.125
40
63
INSIDE OF SHROUD
FINGERS OF ITEM #63
MUST BE COMPLETELY
THRU ITEM #40
TOP OF SHROUD
DETAIL, CABLE CLAMP
SCALE .375
DETAIL, STARTER HARNESS
SCALE .500
CONNECT TO SOLENOID
CONNECT TO GROUND
85
86
88
87
5
PLUG SUPPLIED WITH ENGINE
RED
BLACK
PLUG SUPPLIED WITH ENGINE,
CUT OFF END WITH THREE
CONNECTORS & CONNECT TO
ITEMS #5 AS SHOWN
79
71
28 29 37
ENGINE MOUNTING PLATE
(TOP VIEW)
REF. STARTER HARNESS
REF. STARTER HARNESS
83
29 29 80
28 29
36
68 69 70
67
44
65
BASE LINE PV SERIES
ASSEMBLING CLUTCH
TO INPUT SHAFT BEFORE
APPLY ANTI-SEIZE COMPOUND
76
27
26
61
62
60
25
59
58
29
28
10
ON LONGITUDINAL
CONTACTS FLANGE
POINT WHERE CHAIN
23
MUST BE ADJUSTED EVENLY
BOTH SIDES OF CHAIN TAKEUP
SCALE 0.250
DETAIL, CLUTCH ASSEMBLY
SCALE 0.250
DETAIL, CHAIN TENSION
20.0 MAX
8.0 MIN
00108-760-01-REV-B
Page 33
OCTOBER, 2013

Related product manuals