EasyManua.ls Logo

Meyer PV Series - Page 67

Meyer PV Series
92 pages
Print Icon
To Next Page IconTo Next Page
To Next Page IconTo Next Page
To Previous Page IconTo Previous Page
To Previous Page IconTo Previous Page
Loading...
PV SERIES
INSTALLATION AND INSTRUCTIONAL MANUAL
xxxxx-xxx-xx month/day/year
PV SERIES
TM
MATERIAL:
SCALE
TITLE
DRAWING SIZE
D
DRAWING No:
LINDENWOOD ILLINOIS
WHERE USED
CADD FILENAME:
REF. DRAWING
DR BY
APPV BY
DATE
APPVBYDATEPIF#
REV
REVISION
NOTED)
(EXCEPT AS
DO NOT SCALE DRAWING
DATE
*********************
ProE Drawing
This drawing was
created in ProE.
The orginial drawing
should only be
edited in ProE.
*********************
00002-533-13
DETAIL, ASSEMBLY
ELECT DUAL MOTOR PV
SHEET 2 OF 2
SEE TABLE ON SHEET 1
PV
S:\00002\
00002-533-13
D0000253312
0.100
JKG 8/31/2010
JKG 8/31/2010
TABD
A
10-0154
SEE SHEET 1
9/10
JG JG
PART WEIGHT
DETAIL, COVERS ASSEMBLY
SCALE .250
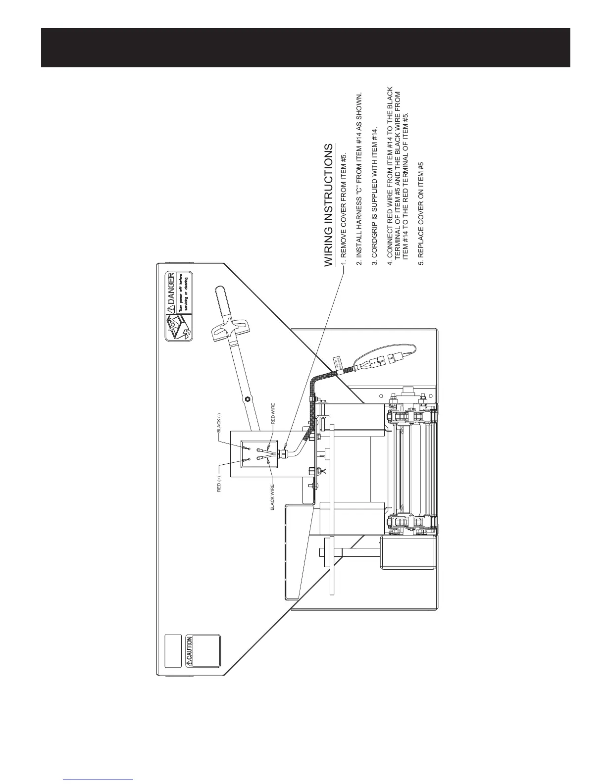
1. REMOVE COVER FROM ITEM #5.
2. INSTALL HARNESS "C" FROM ITEM #14 AS SHOWN.
3. CORDGRIP IS SUPPLIED WITH ITEM #14.
4. CONNECT RED WIRE FROM ITEM #14 TO THE BLACK
TERMINAL OF ITEM #5 AND THE BLACK WIRE FROM
ITEM #14 TO THE RED TERMINAL OF ITEM #5.
5. REPLACE COVER ON ITEM #5
WIRING INSTRUCTIONS
MOTOR
CONVEYOR
MOTOR
CONVEYOR
5
54 55 56
14
RED (+)
BLACK (-)
BLACK WIRE
RED WIRE
DETAIL, MOTOR WIRING
SCALE .250
60
62
29
12 18
12 18
12 18
40 41 50
ELECTRIC PV MODEL
00108-760-01-REV-B
Page 67
OCTOBER, 2013

Related product manuals