EasyManua.ls Logo

MFJ MFJ-4225MV - MFJ-4225 MV Instruction Manual; Installation Requirements; Load Connection Guidelines; DC Voltage Adjustment

Default Icon
2 pages
Print Icon
To Previous Page IconTo Previous Page
To Previous Page IconTo Previous Page
Loading...
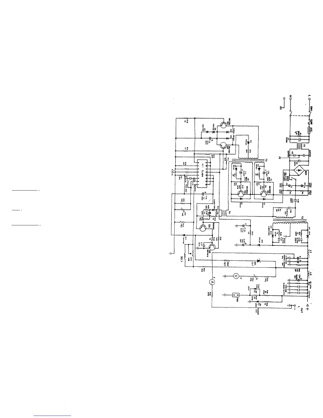
MFJ-4225MV Instruction Manual
Thank you for purchasing the MFJ MightyLite Deluxe Switching Power
Supply. The MFJ-4225MV is designed to supply up to 25 amps surge current or 22
amps if continuous current at 13.8 Vdc.
Installation:
Before plugging in the MFJ-4225MV in an AC outlet make sure that the proper input
voltage is selected on the rear of the unit. Select 110 for 100/110/120 AC operation.
The loads can be connected to either the 5-way binding posts or to the cigarette
lighter socket. Note that any devices that require more than 7 amps must use the 5way
binding post outputs. The cigarette lighter socket output has a maximum output of 7
amps.
Operation:
DC Adjustment:
The DC adjustment control on the front panel is used to set the DC
output voltage of the MFJ-4115MV from 9 volts to 15 volts DC. For most HF and
VHF radios, set the output at 13.8 Vdc.
FAN:
The cooling fan on the MFJ-4225MV will operate when the unit is turned ON.
The s
p
eed of the fan varries de
p
endin
g
on the settin
g
of the DC out
p
ut.
Meter Indicators:
The current meter on the MFJ-4225MV indicates the total current
being drawn by the accessories connected to the power supply. The voltage meter on
the MFJ-4225MV indicates the voltage set for both the 5-way binding post output and
the cigarette socket output. Both meters will be lit when the unit is turned ON. Note
that the brightness of the meter lights varies depending on the setting of the DC
adjustment control.
Protection:
The MFJ-4225MV will automatically shut down if over 25 amps of current is drawn
from its outputs. The unit will reset itself within 20 seconds.

Related product manuals