EasyManua.ls Logo

MFZ Control CS 320 - Page 63

MFZ Control CS 320
64 pages
Print Icon
To Next Page IconTo Next Page
To Next Page IconTo Next Page
To Previous Page IconTo Previous Page
To Previous Page IconTo Previous Page
Loading...
EN
Control CS 320 / Rev.B 1.01 – 63
1
2
3
4
5
6
7
8
1
2
3
4
5
6
7
8
B2
B1
W
V
U
N
L3
L2
L1
400V/50Hz/3/N/PE
X15
X10
X5
X11
X18
X2
X1
X12
X6
X13
X7
X3
X4
X16/X17
X9
X20
1
2
3
4
5
6
7
8
9
10
11
12
1
2
3
4
5
6
7
8
9
10
11
12
X10
B2
B1
W
V
U
1
2
3
4
5
6
7
8
X5
1
2
3
4
5
6
7
8
X15
1
2
3
4
5
6
7
8
9
10
X4
X7
X6
X12
PE
PE
PE
N
L3
L2
L1
X1
X21
F2.1
F2.2
F2.3
F1
1
2
3
4
5
6
7
8
9
12
11
10
X9
X8
X20
S1
X19
X3
X16
H1
H2
X11
X18
S2
S3
X2
X17
13:28
26.04.20
M
OK
20
1
2
4
3
X13
OUT
-
+
-
+
1
2
3
4
5
6
7
8
9
12
11
10
R
T
1
2
3
4
5
6
7
8
9
12
GN
BN
WH
11
10
8K2
8K2
2
1
2
1
R
T
X8
WH
GN
BN
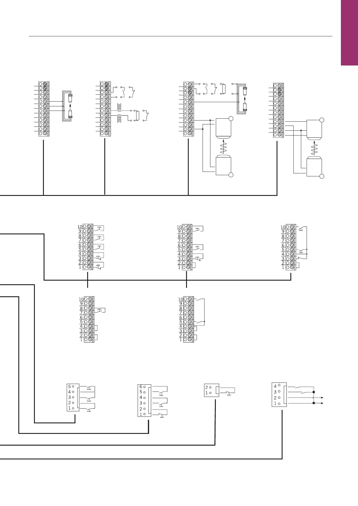
Command devices
- DOWN switch
- impuls button
- UP switch
- STOP button
- Emergency stop
Closing edge protective
device OSE
WH: white
GN: green
BN: brown
UP / STOP / DOWN switch
(6-wire solution)
- DOWN switch
- UP switch
- STOP button
UP / STOP / DOWN switch
(4-wire solution)
- DOWN switch
- UP switch
- STOP button
IMPULS button
- IMPULS button
Key switch
- CLOSE
- OPEN
Cover keypad CS
- DOWN switch
- UP switch
- STOP button
Cover switch KDT
- DOWN switch
- UP switch
- STOP button
External radio receiver
- IMPULS
- OPEN
- GND
- 24 V DC
Input 1 (9 + 10)
Closing edge protective device 8.2 kΩ /
DW (5+6)
Input 2 (11 + 12)
Light barrier (2 + 4)
Light barrier
NC, NPN, PNP
ON/OFF key switch
- Key switch

Table of Contents