EasyManua.ls Logo

MICO Lock System 691 - INTERLOCK APPLICATIONS; 691 ACCESSORIES

MICO Lock System 691
24 pages
Print Icon
To Next Page IconTo Next Page
To Next Page IconTo Next Page
To Previous Page IconTo Previous Page
To Previous Page IconTo Previous Page
Loading...
15
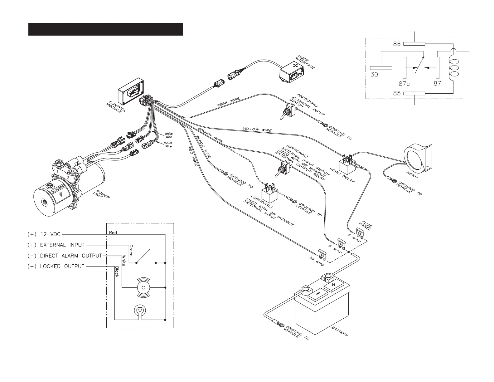
INTERLOCK APPLICATIONS
Horn Relay
User Interface Schematic