EasyManua.ls Logo

Microchip Technology MPLAB REAL ICE - Page 51

Microchip Technology MPLAB REAL ICE
73 pages
Print Icon
To Next Page IconTo Next Page
To Next Page IconTo Next Page
To Previous Page IconTo Previous Page
To Previous Page IconTo Previous Page
Loading...
Hardware Specification
© 2006 Microchip Technology Inc. DS51616A-page 47
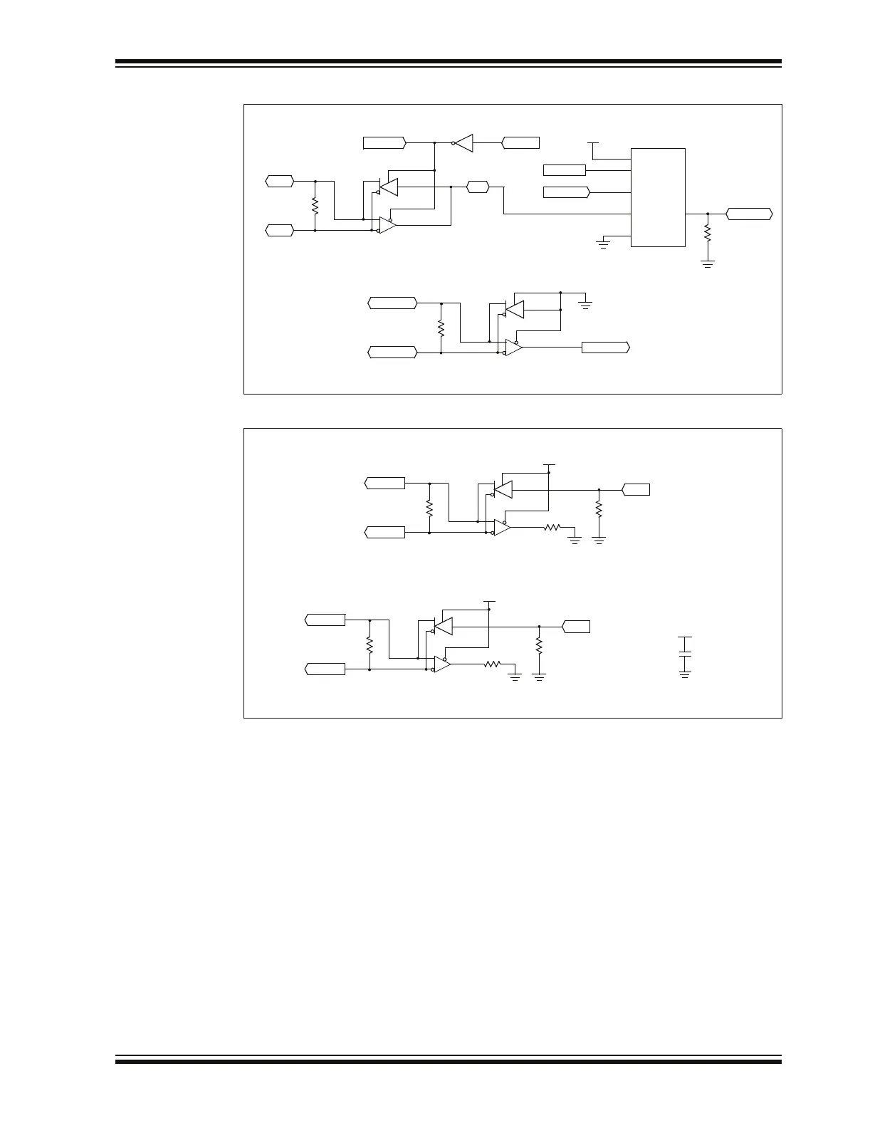
FIGURE 7-6: RECEIVER BOARD SCHEMATIC – ICSPCLK
FIGURE 7-7: RECEIVER BOARD SCHEMATIC – DAT & CLK
NCLK_EN
CLK_EN
CLK
AHC1G04-SOT5
SN65MLVD206
4
2
2
1
3
4
6
7
VDD_TAR
CLK_EN
VCCA
V
CCB
DIR
A
GND
B
74LVC1T45_SOT-6P
1
6
5
3
4
+3.3V
ICSPCLK
100
LVC+
LVC-
CLKEN+
CLKEN-
SN65MLVD206
2
1
3
4
6
7
100
CLK_EN
4.7K
POWER
0.1uF
USPID+
USPID-
SN65MLVD206
2
1
3
4
6
7
100
+3.3V
DAT
10K
10K
USPIC+
USPIC-
SN65MLVD206
2
1
3
4
6
7
100
+3.3V
CLK
10K
10K

Table of Contents

Related product manuals