EasyManua.ls Logo

Micromax Q427+ - Page 20

Micromax Q427+
35 pages
Print Icon
To Next Page IconTo Next Page
To Next Page IconTo Next Page
To Previous Page IconTo Previous Page
To Previous Page IconTo Previous Page
Loading...
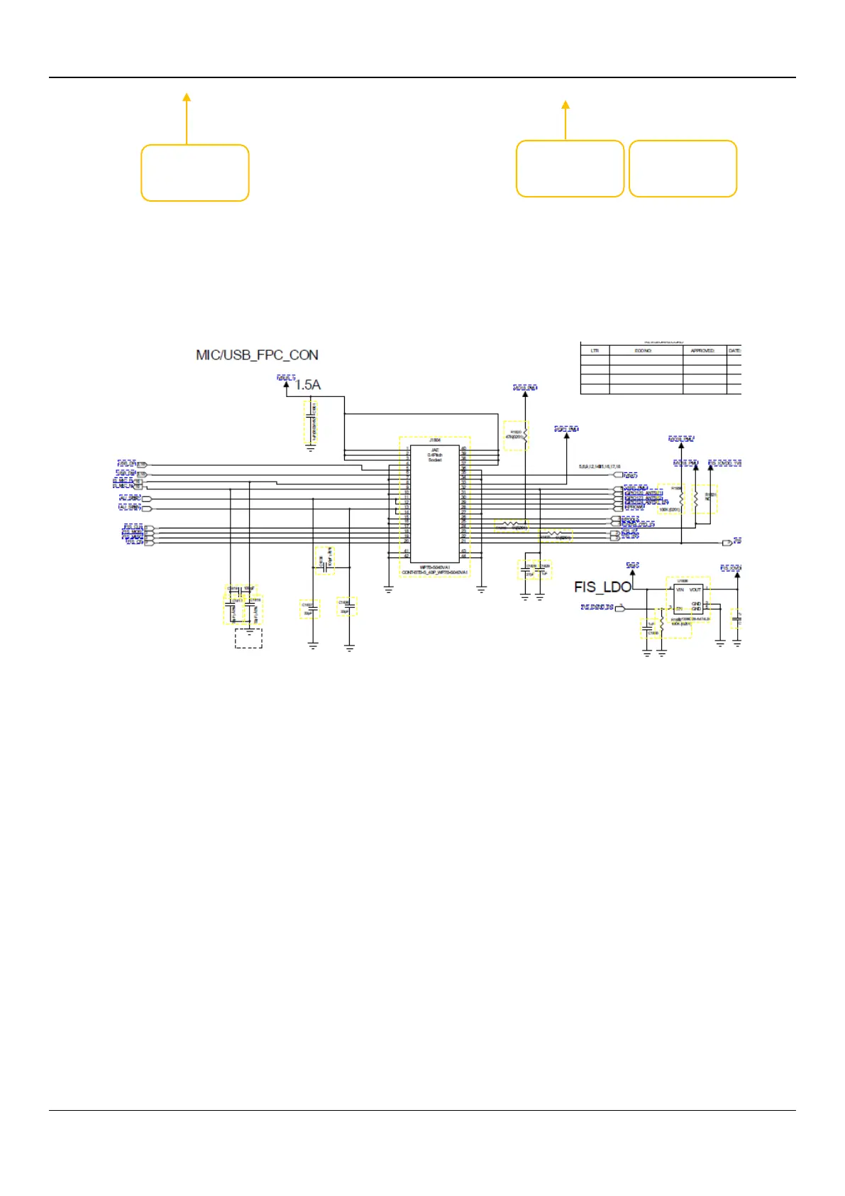
Q427+ L3 Service Manual
FPC
connector
CPU
Power IC

Other manuals for Micromax Q427+

Related product manuals