EasyManua.ls Logo

Midea CSU-18HHAA - Page 13

Midea CSU-18HHAA
107 pages
Print Icon
To Next Page IconTo Next Page
To Next Page IconTo Next Page
To Previous Page IconTo Previous Page
To Previous Page IconTo Previous Page
Loading...
11
Installation & Maintenance Manual
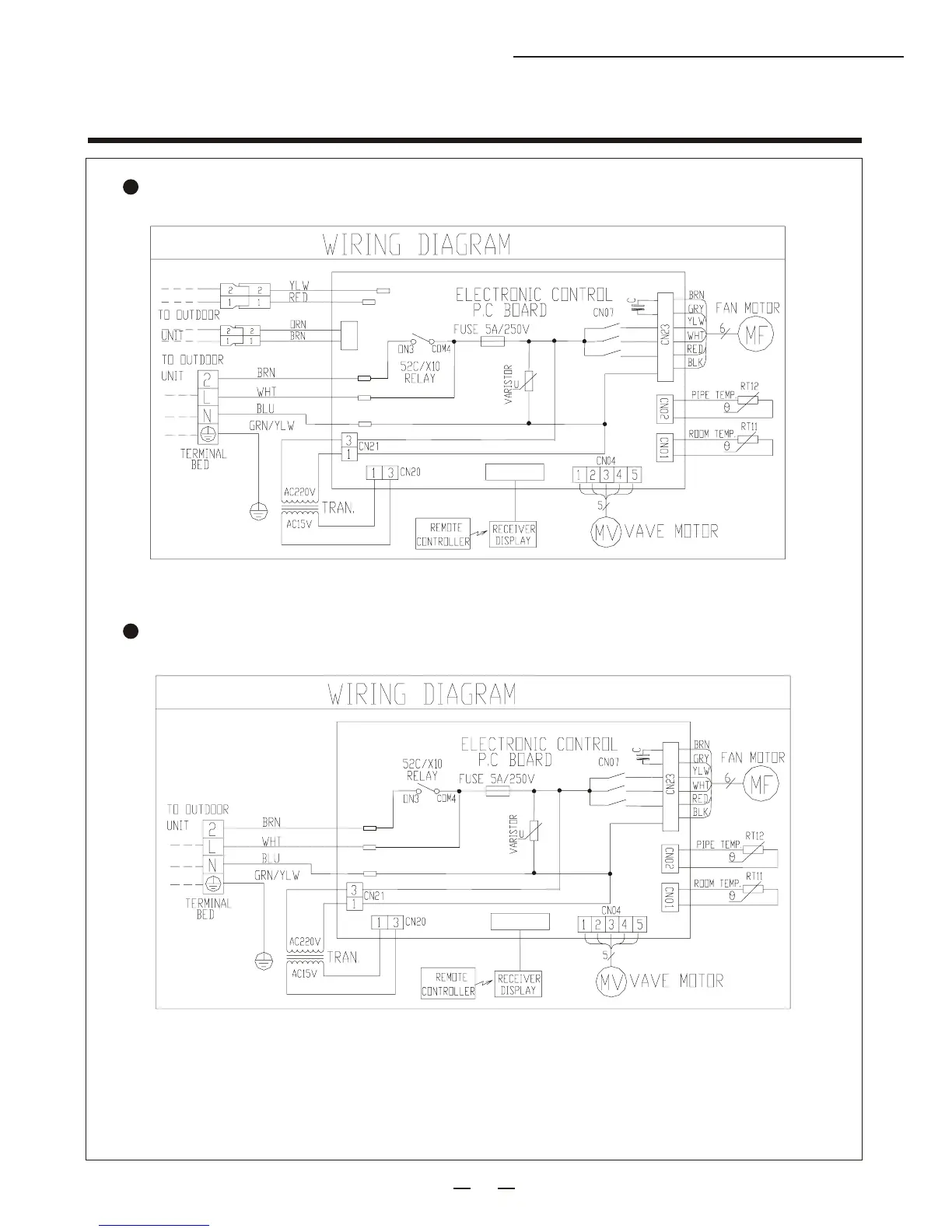
Wiring diagram for heat pump indoor unit 24K
Wiring diagram for only cooling indoor unit 24K
AC-L44
AC-L33
CN-03
AC-N
CN08/CN09
3502Q0028680
VALVE
OUTFAN
X1
X2
X3
RELAY
AC-L
AC-L22
IV. Wiring diagram
AC-N
CN08/CN09
3502Q0028680
X1
X2
X3
RELAY
AC-L
AC-L22

Related product manuals