EasyManua.ls Logo

Midea DLCMB - Page 11

Midea DLCMB
110 pages
Print Icon
To Next Page IconTo Next Page
To Next Page IconTo Next Page
To Previous Page IconTo Previous Page
To Previous Page IconTo Previous Page
Loading...
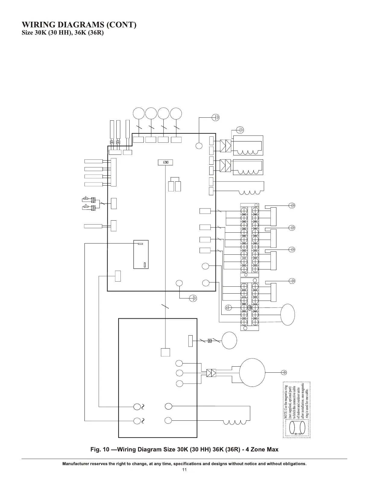
L1 L2 1(A)2(A)3(A)
RED
BLACK
Y/G
BROWN
BLUE
BLACK
BROWN
BLUE
BLACK
TO A TO B
Y/G
POWER
Y/G
SUPPLY
COMPRESSOR
W(C)
V(S)
U(R)
DC FAN
MOTOR
3
3
REACTOR
CN14
BLACKREDBLUE
BLUEBLUE
U
CN3
V W
CN2
CN1
CN5CN4
BLACK(BLUE)
RED(BROWN)
5
Y/G
-P 1
CN3 CN4
CN25
S-A S-B
CN23
CN1 CN2
4-WAY
CN6
HEAT1
CN5
HEAT2
CN9 CN8
P-2
Y/G
REVERSE
CHASSIS
VALVE
HEATER
CRANKCASE
RED
HEATER
P1
P2
VALVE-A
CN18
VALVE-B
CN19
6
6
ELECTRONIC
EXPANSION
ELECTRONIC
VALVE
EXPANSION
CN7
VALVE
CN17
T4
T3
T2B
CN15
COMP. DISCHARGE TEMP. SENSOR
OUTDOOR AMBIENT TEMP. SENSOR
COIL TEMP. SENSOR
A B
CN14
LOW/HIGH
INDOOR COIL OUTLET
TEMP. SENSOR
CN12
Comp Top
CN29
ON(4)
L-OUT
RY2
COM(3)
HIGH
PRESSURE
SWITCH
LOW
PRESSURE
SWITCH
4
RED
YELLOW
1(B)2(B)3(B)1(C)2(C)3(C)1(D)2(D)3(D)
TO C TO D
3 3
BROWN
BLUE
BLACK
BROWN
BLUE
BLACK
CN20
S-C
CN16
S-D
3 3
CN22 CN24
6
VALVE-D
ELECTRONIC
EXPANSION
VALVE
6
VALVE-C
ELECTRONIC
EXPANSION
VALVE
C D
COMP. TOP
SENSOR
OLP TEMP.
IPM DRIVE BOARD
MAIN CONTROL BOARD
Y/G Y/G Y/G
DLCM(R/H)B: Service Manual

Related product manuals