EasyManua.ls Logo

Midea M2OC1-18HRDN1-Q - Refrigeration Cycle Schematics

Midea M2OC1-18HRDN1-Q
47 pages
Print Icon
To Next Page IconTo Next Page
To Next Page IconTo Next Page
To Previous Page IconTo Previous Page
To Previous Page IconTo Previous Page
Loading...
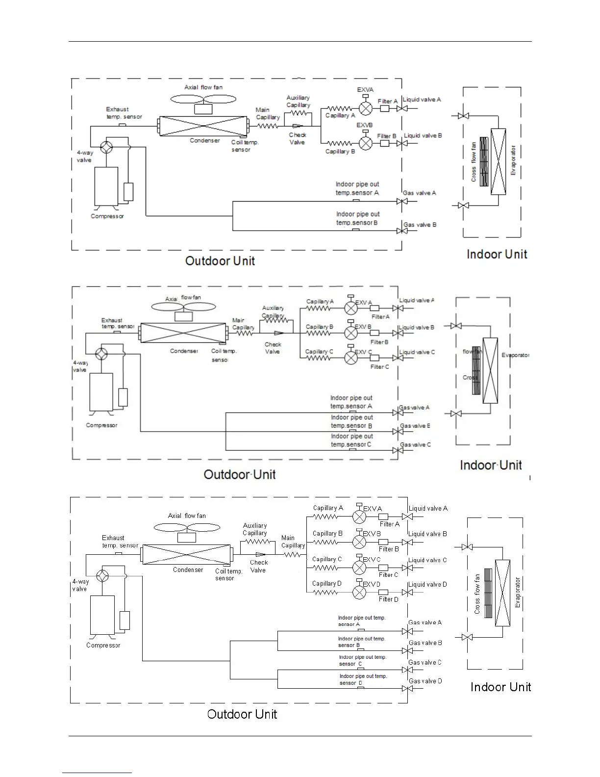
5. Refrigeration Cycle Diagram
5.1 Refrigeration circuit drawing of inverter binary type
4.2 Refrigeration circuit drawing of inverter trinary type
5.3 Refrigeration circuit drawing of inverter quadplex type

Related product manuals