EasyManua.ls Logo

Midea M2OC1-18HRDN1-Q - Page 12

Midea M2OC1-18HRDN1-Q
47 pages
Print Icon
To Next Page IconTo Next Page
To Next Page IconTo Next Page
To Previous Page IconTo Previous Page
To Previous Page IconTo Previous Page
Loading...
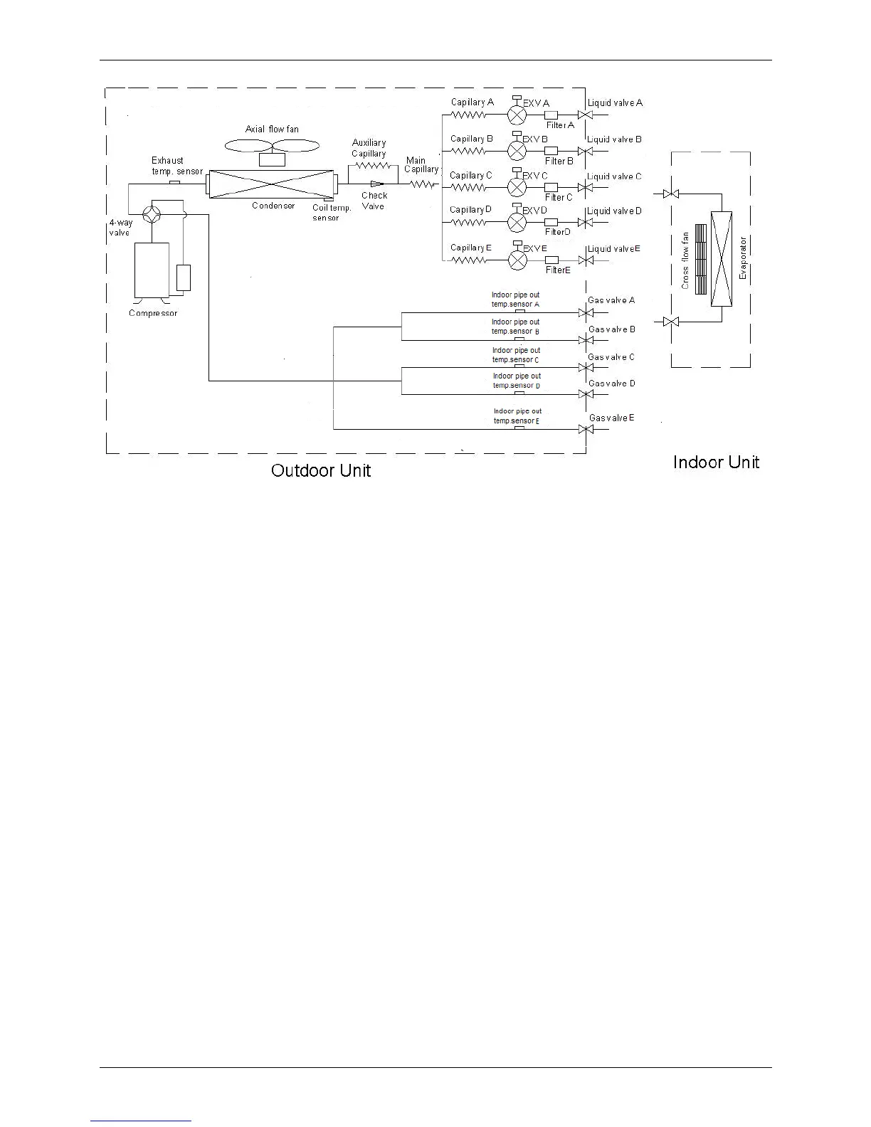
5.4 Refrigeration circuit drawing of inverter quintuple type

Related product manuals