EasyManua.ls Logo

Midea M2OC1-18HRDN1-Q - Page 8

Midea M2OC1-18HRDN1-Q
47 pages
Print Icon
To Next Page IconTo Next Page
To Next Page IconTo Next Page
To Previous Page IconTo Previous Page
To Previous Page IconTo Previous Page
Loading...
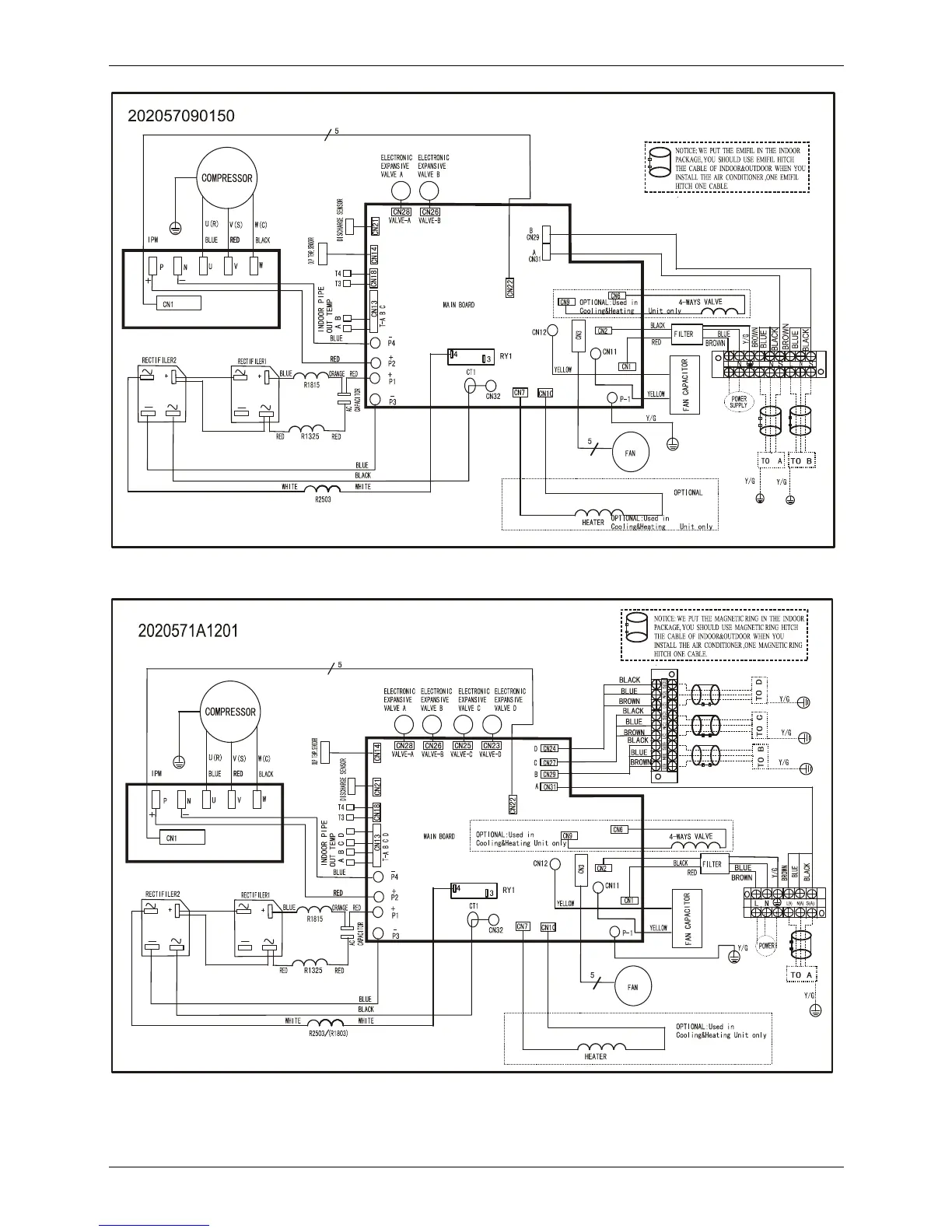
4.5 M2OC-18HRDN1
4.6 M4OC-24HRDN1-Q

Related product manuals