EasyManua.ls Logo

Midea M2OC1-18HRDN1-Q - Page 9

Midea M2OC1-18HRDN1-Q
47 pages
Print Icon
To Next Page IconTo Next Page
To Next Page IconTo Next Page
To Previous Page IconTo Previous Page
To Previous Page IconTo Previous Page
Loading...
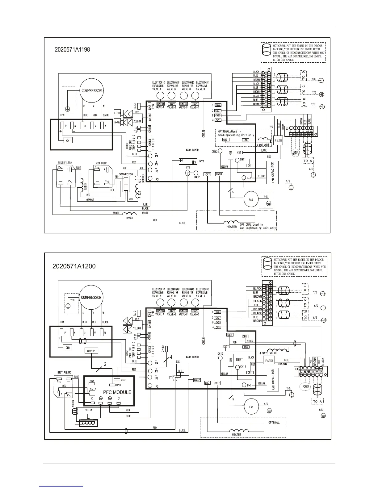
4.7 M4OC1-27HRDN1-Q态M4OC-27HRDN1
4.8 M4OC-36HRDN1-Q

Related product manuals