EasyManua.ls Logo

Midea M5OD-42HFN8-Q - Page 12

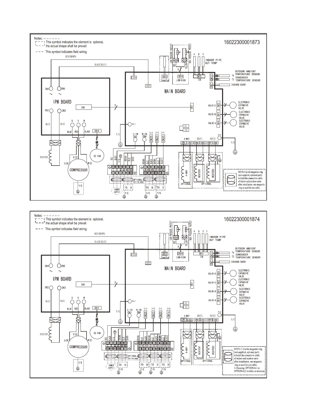
Midea M5OD-42HFN8-Q
69 pages
Print Icon
To Next Page IconTo Next Page
To Next Page IconTo Next Page
To Previous Page IconTo Previous Page
To Previous Page IconTo Previous Page
Loading...
M3OF-21HFN8-Q, M3OF-27HFN8-Q
M4OE-28HFN8-Q

Other manuals for Midea M5OD-42HFN8-Q

Related product manuals