EasyManua.ls Logo

Midea MCD-24HRN1-Q1 - Field Wiring

Midea MCD-24HRN1-Q1
189 pages
To Next Page IconTo Next Page
To Next Page IconTo Next Page
To Previous Page IconTo Previous Page
To Previous Page IconTo Previous Page
Loading...
Light Commercial R410A on-off DM17-01.01.08en
103
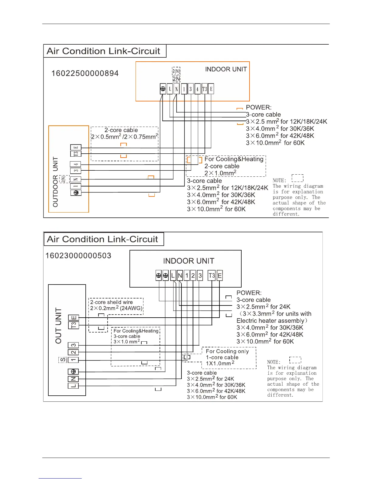
10. Field Wiring
MUE-12HRN1-Q1, MUE-18HRN1-Q1
MUE-24HRN1-Q1

Table of Contents

Related product manuals