EasyManua.ls Logo

Midea MDVS-335W/DRN1 - Dimensions; Piping Diagrams

Midea MDVS-335W/DRN1
225 pages
To Next Page IconTo Next Page
To Next Page IconTo Next Page
To Previous Page IconTo Previous Page
To Previous Page IconTo Previous Page
Loading...
R410A DC Inverter VRF V4 Plus W Series 50Hz MCAC-VTSM-2016-04
18 Specification & Performance
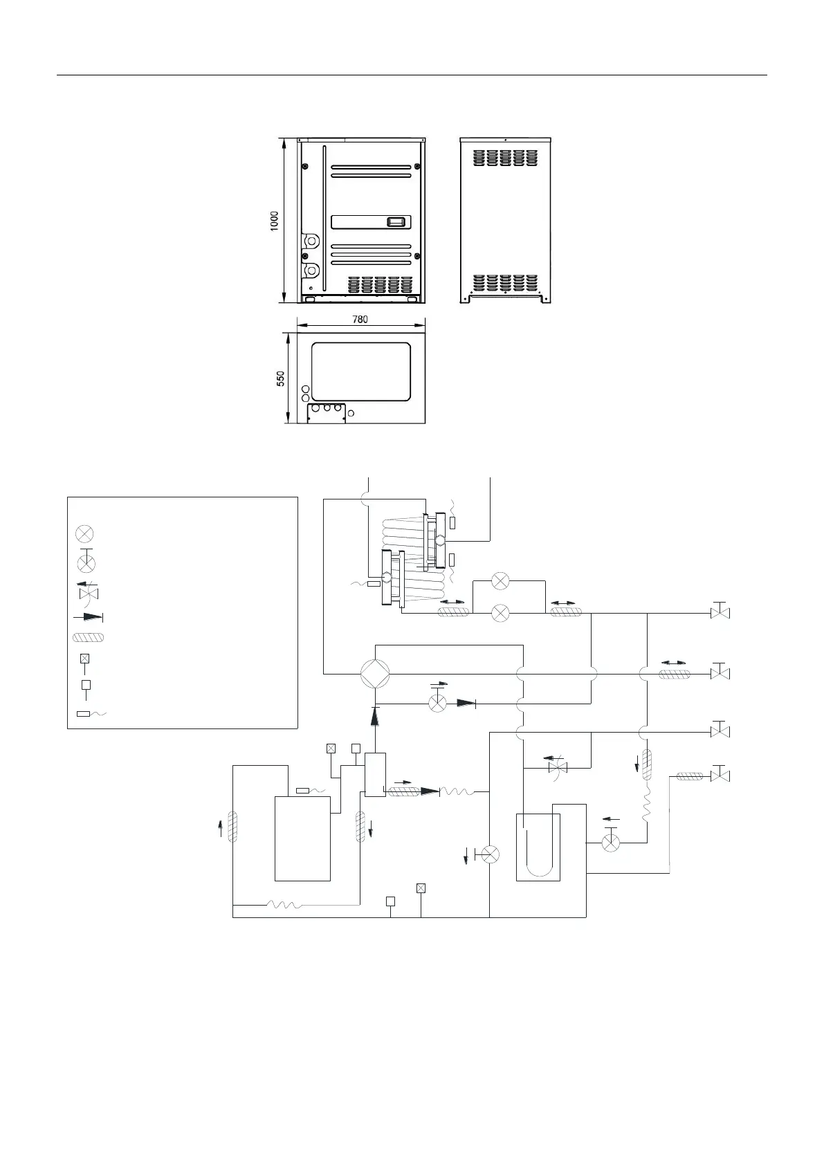
2. Dimensions
8HP/10HP/12HP (unit: mm)
3. Piping diagrams
Inverter
compressor
Oil separator
ST
EXVB
SV2
SV4
Electronic expansion valve
Electromagnetic valve
Filter
Pressure sensor
Pressure Switch
Way valve
Symbol Description
Temperature probe
SV3
Pressure relief valve
TSC1
TSC2
TSJ
T7
EXVA

Related product manuals