EasyManua.ls Logo

Midea MGA-F30W/SN1 - Page 38

Midea MGA-F30W/SN1
72 pages
Print Icon
To Next Page IconTo Next Page
To Next Page IconTo Next Page
To Previous Page IconTo Previous Page
To Previous Page IconTo Previous Page
Loading...
MCAC-2008-11 Air-cooled Modular Chiller
38
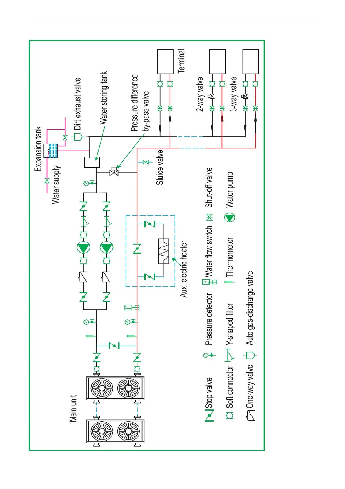
Reference figure of water system installation

Related product manuals