EasyManua.ls Logo

Midea MGB-D30W/RN1 - Page 43

Midea MGB-D30W/RN1
174 pages
Print Icon
To Next Page IconTo Next Page
To Next Page IconTo Next Page
To Previous Page IconTo Previous Page
To Previous Page IconTo Previous Page
Loading...
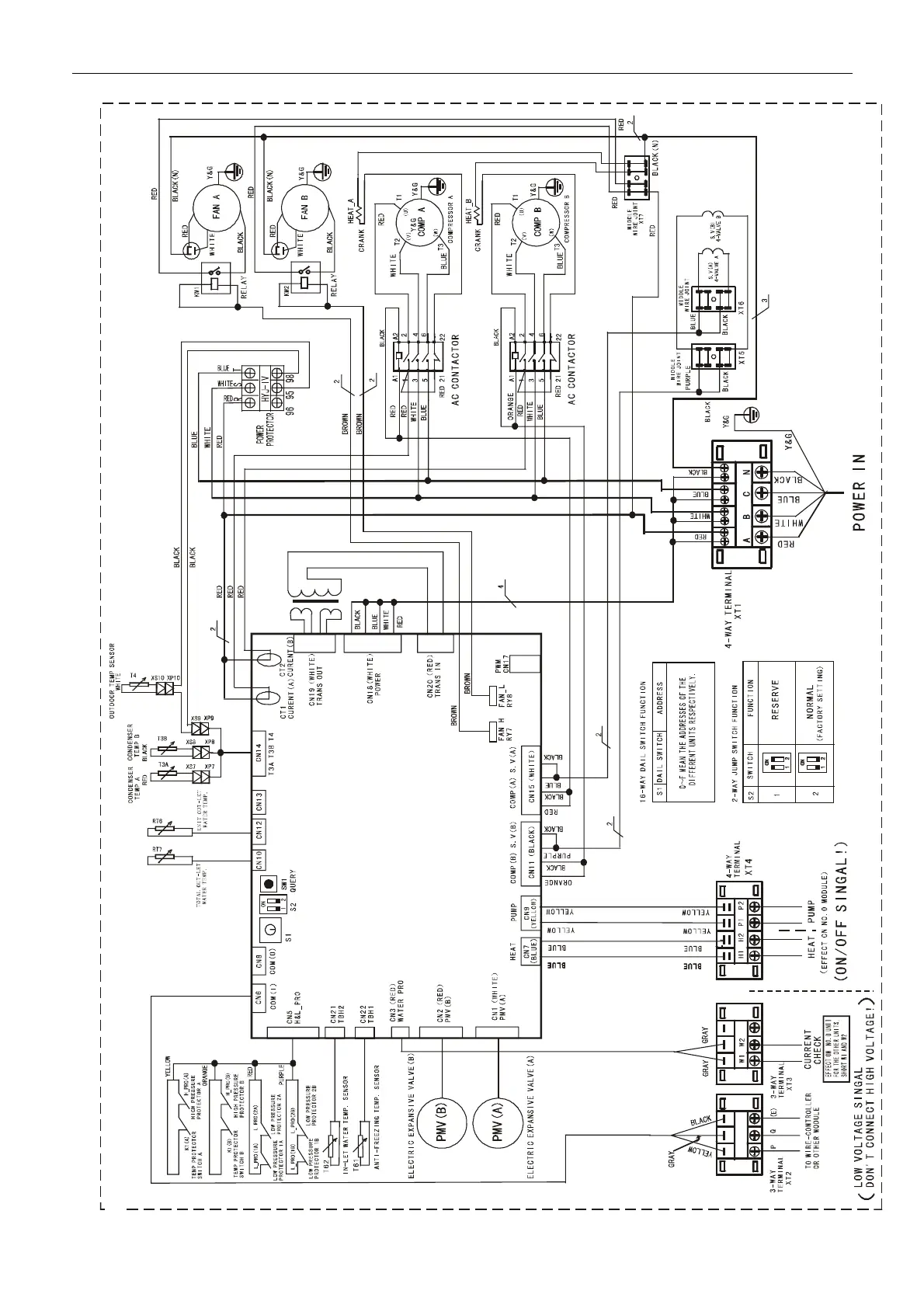
Air-cooled modular chiller unit 50Hz MCAC-ATSM-2011-12
44
55/60/65KW module
Attached picture (I) Electric Drawing of Main Unit and Auxiliary Unit

Related product manuals