EasyManua.ls Logo

Midea MGB-D65W/RN1 - Page 45

Midea MGB-D65W/RN1
174 pages
Print Icon
To Next Page IconTo Next Page
To Next Page IconTo Next Page
To Previous Page IconTo Previous Page
To Previous Page IconTo Previous Page
Loading...
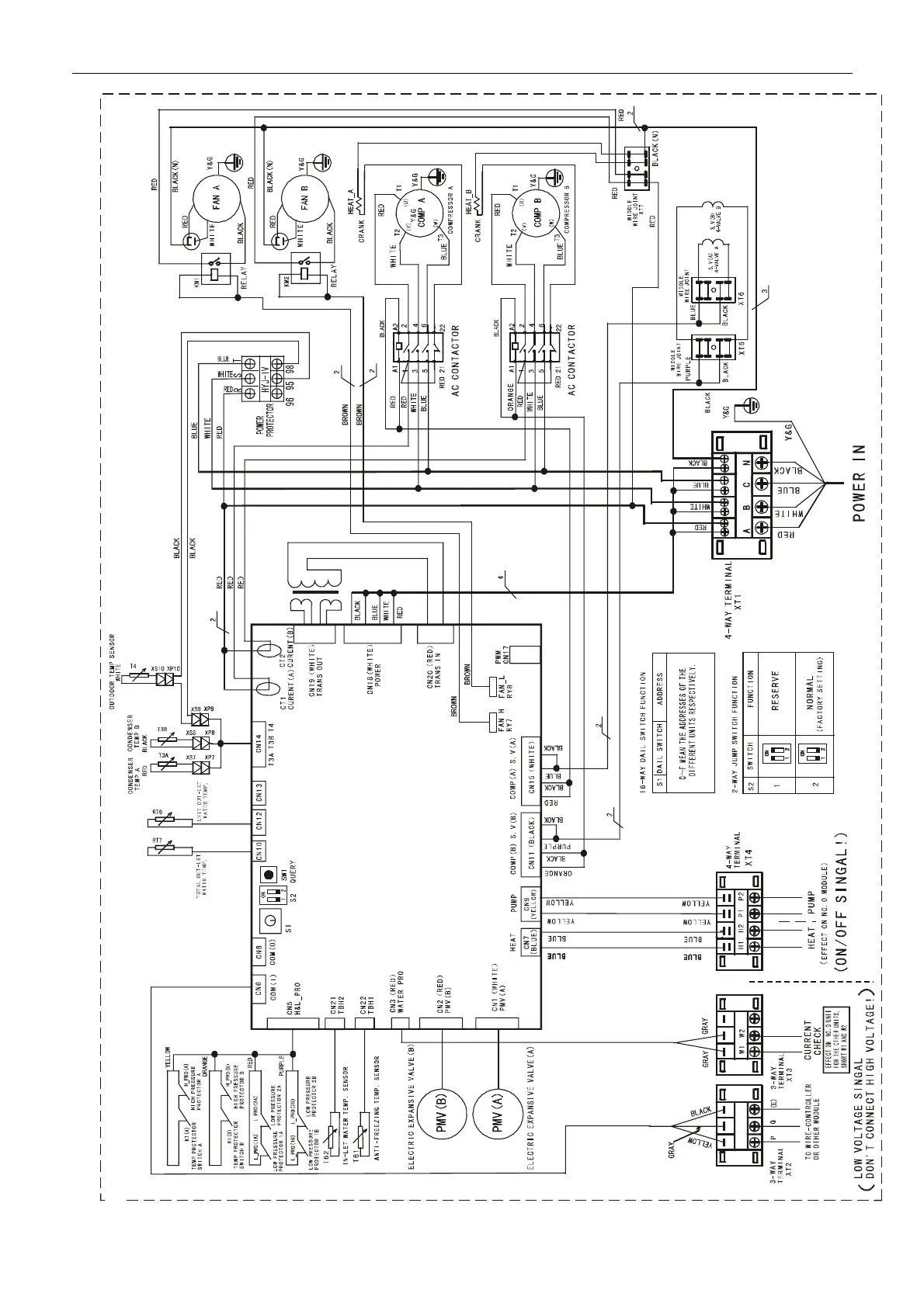
Air-cooled modular chiller unit 50Hz MCAC-ATSM-2011-12
46
130KW module
Attached picture (I) Electric Drawing of Main Unit and Auxiliary Unit

Related product manuals