EasyManua.ls Logo

Midea MGB Series - Installation space

Midea MGB Series
174 pages
Print Icon
To Next Page IconTo Next Page
To Next Page IconTo Next Page
To Previous Page IconTo Previous Page
To Previous Page IconTo Previous Page
Loading...
MCAC-ATSM-2011-12 Air-cooled modular chiller unit 50Hz
111
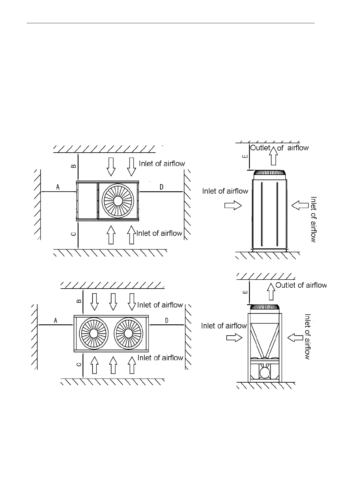
12.1.2 Installation space
Requirements of arrangement space of the unit
1) To ensure adequate airflow entering the condenser, the influence of descending airflow caused by the
high-rise buildings around upon the unit should be taken into account when installing the unit.
2) If the unit is installed where the flowing speed of air is high, such as on the exposed roof, the measures
including sunk fence and Persian blinds can be taken, to prevent the turbulent flow from disturbing the air
entering the unit. If the unit needs to be provided with sunk fence, the height of the latter should not be more
than that of the former; if Persian blinds are required, the total loss of static pressure should be less than the
static pressure outside the fan. The space between the unit and sunk fence or Persian blinds should also
meet the requirement of the minimum installation space of the unit.
3) If the unit needs to operate in winter, and the installation site may be covered by snow, the unit should
be located higher than the snow surface, to ensure that air flows through the coils smoothly.
25/30kw module
55/60/65kw module

Related product manuals