EasyManua.ls Logo

Midea MHC-V4W/D2N8-B - Piping Diagrams Overview

Midea MHC-V4W/D2N8-B
113 pages
Print Icon
To Next Page IconTo Next Page
To Next Page IconTo Next Page
To Previous Page IconTo Previous Page
To Previous Page IconTo Previous Page
Loading...
M thermal Mono
202004 11
Part 2 - Component Layout and Refrigerant Circuits
2 Piping Diagrams
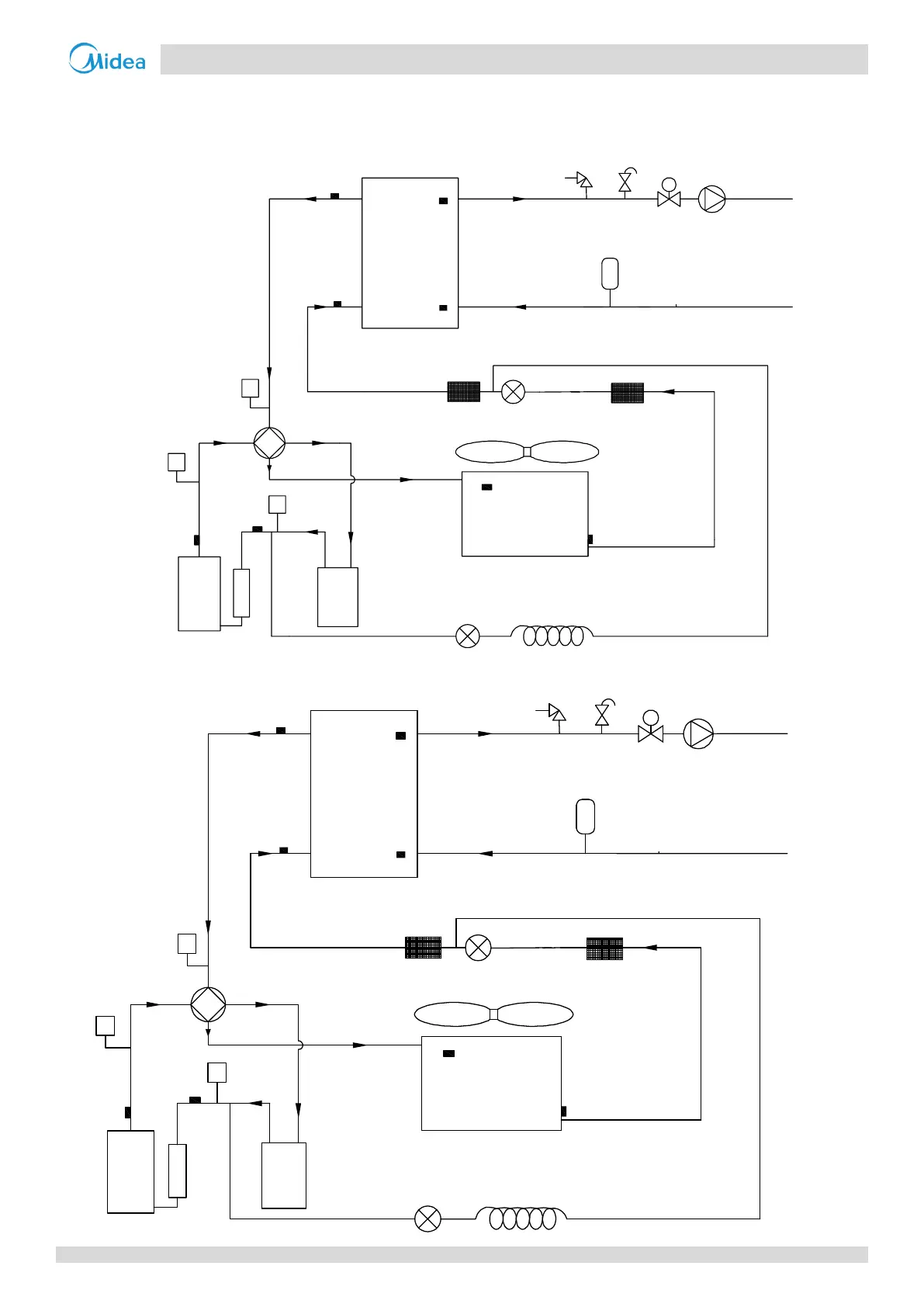
Figure 2-2.1: MHC-V4 (6) W/D2N8-B / MHC-V12( 14, 16) W/D2N8-B / MHC-V12 (14, 16) W/D2RN8-B piping diagram
Figure 2-2.2: MHC-V8(10) W/D2N8-B / MHC-V12( 14, 16) W/D2N8-B / MHC-V12 (14, 16) W/D2RN8-B piping diagram
d
e
s
c
Compressor
Accumulator
Condenser
EXV
Evaporator
Twin
Twout
T2
T2b
F
Pressure sensor
Safety valve Air purge valve Pump
Flow switch
High-pressure switch
Expansion vessel
Manometer
Single way solenoid valve Capillary
Discharge temp. sensor
DC motor
T4
T3
Filter
Suction temp. sensor
Filter
Low-pressure switch
F
d
e
s
c
Compressor
Accumulator
Condenser
EXV
Evaporator
Twin
Twout
T2
T2b
Pressure sensor
Safety valve Air purge valve Pump
Flow switch
High-pressure switch
Expansion vessel
Manometer
Single way solenoid valve Capillary
Discharge temp. sensor
DC motor
T4
T3
Filter
Suction temp. sensor
Filter
Low-pressure switch
Midea CAC Confidential

Other manuals for Midea MHC-V4W/D2N8-B

Related product manuals