EasyManua.ls Logo

Midea MHG-60HWFN1-MW - Page 77

Midea MHG-60HWFN1-MW
247 pages
Print Icon
To Next Page IconTo Next Page
To Next Page IconTo Next Page
To Previous Page IconTo Previous Page
To Previous Page IconTo Previous Page
Loading...
74
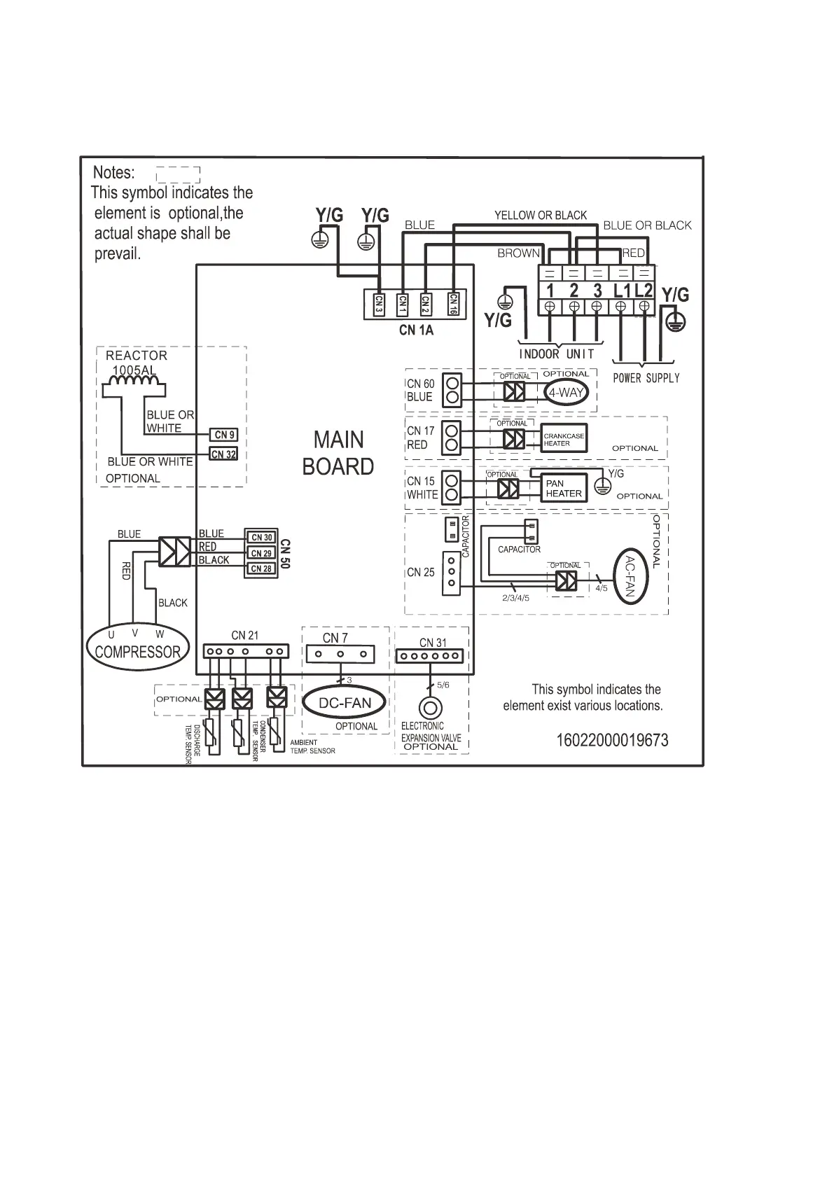
MOBA30-09HFN1-MT0W, MOB30-12HFN1-MT0W, MOX230-09HFN1-MW5W,
MOX230-12HFN1-MV5W, MOX330-09HFN1-MY5W, MOX330-12HFN1-MW5W

Table of Contents

Related product manuals