EasyManua.ls Logo

Midea MOU-30HN1-Q

Midea MOU-30HN1-Q
132 pages
To Next Page IconTo Next Page
To Next Page IconTo Next Page
To Previous Page IconTo Previous Page
To Previous Page IconTo Previous Page
Loading...
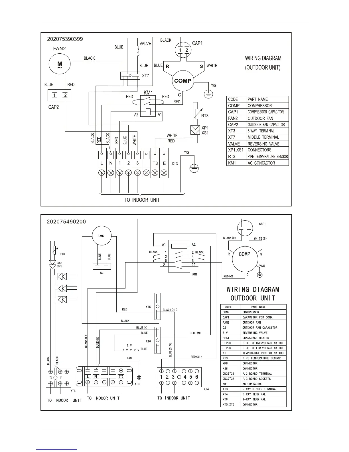
Wiring Diagrams
70 Outdoor Units
MOU-24HN1-Q
MOU-30HN1-Q

Table of Contents

Related product manuals