EasyManua.ls Logo

Midea MOUL-60HN1-R

Midea MOUL-60HN1-R
55 pages
To Next Page IconTo Next Page
To Next Page IconTo Next Page
To Previous Page IconTo Previous Page
To Previous Page IconTo Previous Page
Loading...
DM16-01.01.25en Floor Standing MFM
13 Service manual
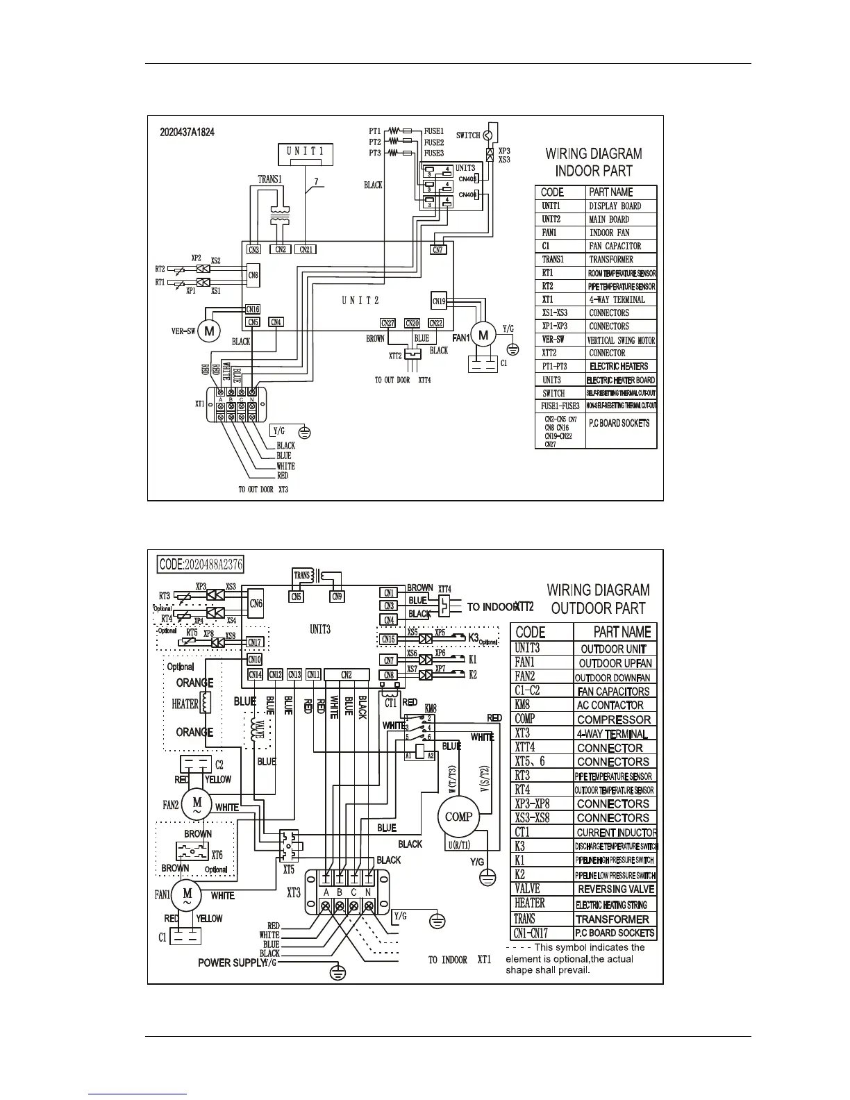
5.3 MFM-60ARN1-R
Indoor unit:
Outdoor unit:
MOUL-60HN1-R

Related product manuals