EasyManua.ls Logo

Midea MS9A-05CR-QD0 - 5 Wiring Diagram; Indoor Units

Midea MS9A-05CR-QD0
61 pages
Print Icon
To Next Page IconTo Next Page
To Next Page IconTo Next Page
To Previous Page IconTo Previous Page
To Previous Page IconTo Previous Page
Loading...
16
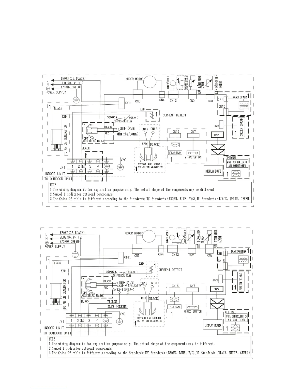
5. Wiring Diagram
5.1 Indoor Units
MS9A-07CR-QB6, MS9A-09CR-QB6, MS9A-12CR-QB6
MS9A-07HR-QB6, MS9A-09HR-QB6, MS9A-12HR-QB4, MS9A-12HR-QB6, MS9A-18HR-QB6

Related product manuals