EasyManua.ls Logo

Midea ODMFI-E-2110 - Page 11

Midea ODMFI-E-2110
179 pages
Print Icon
To Next Page IconTo Next Page
To Next Page IconTo Next Page
To Previous Page IconTo Previous Page
To Previous Page IconTo Previous Page
Loading...
11
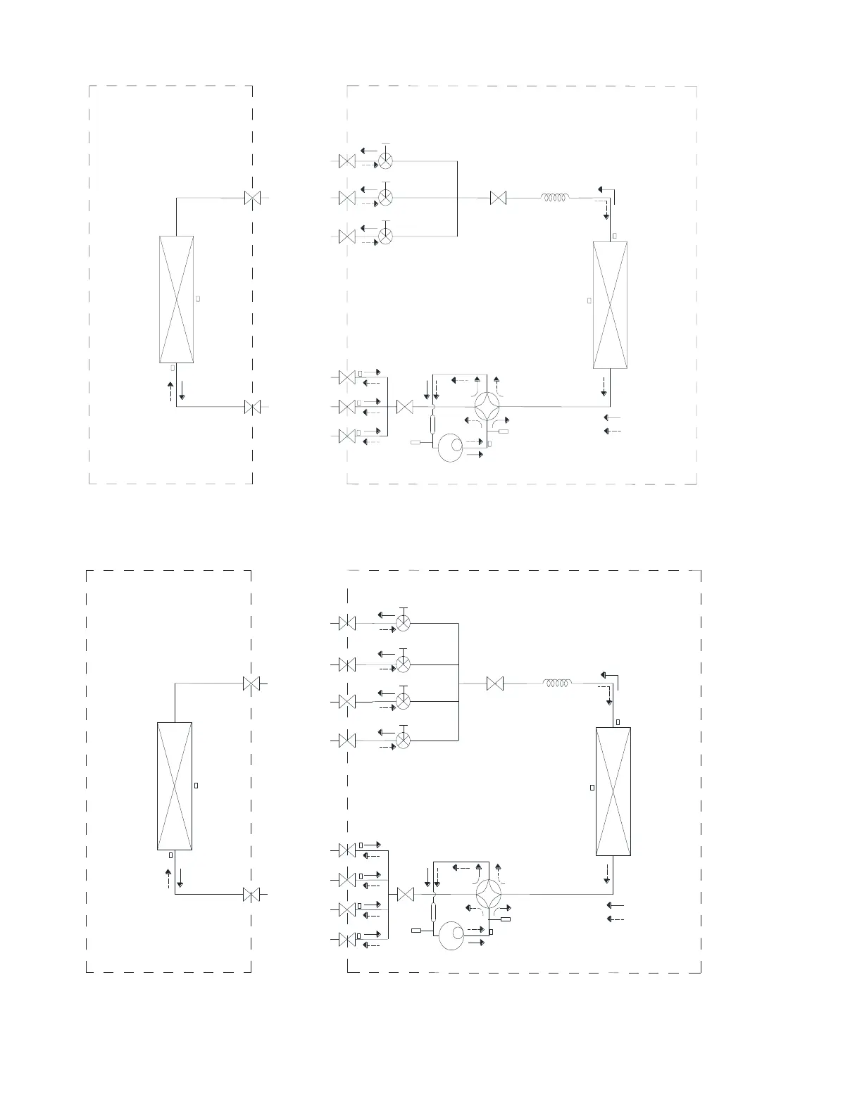
3.3 Refrigeration circuit drawing of M3OF-27HFN1-M, M3OH-27HFN1-M, M3OJ-27HFN1-M& M3OI-28HFN1-M
HEAT
EXCHANGE
(EVAPORATOR)
HEAT
EXCHANGE
(CONDENSER)
COOLING
HEATING
T2 Evaporator
temp. sensor
middle
T1 Room
temp. sensor
T3
Condenser
temp. sensor
T4 Ambient
temp. sensor
INDOOR OUTDOOR
CAPILLARY TUBE
EXV A
LIQUID VALVE A
GAS VALVE A
EXV B
LIQUID VALVE B
GAS VALVE B
EXV C
LIQUID VALVE C
GAS VALVE C
Compressor
4-WAY VALVE
T5 Discharge
temp. sensor
Accumulator
High pressure
switch
Low pressure
switch
T2B-A Evaporator
temp. sensor outlet
T2B-B
T2B-C
3.4 Refrigeration circuit drawing of M4OF-36HFN1-M, M4OH-36HFN1-M& M4OG-36HFN1-M
LIQUID VALVE A
GAS VALVE A
HEAT
EXCHANGE
(EVAPORATOR)
HEAT
EXCHANGE
(CONDENSER)
COOLING
HEATING
T2 Evaporator
temp. sensor
middle
T1 Room
temp. sensor
T3
Condenser
temp. sensor
T4 Ambient
temp. sensor
INDOOR OUTDOOR
EXV A
CAPILLARY TUBE
EXV B
LIQUID VALVE B
GAS VALVE B
EXV C
LIQUID VALVE C
GAS VALVE C
EXV D
LIQUID VALVE D
GAS VALVE D
Compressor
4-WAY VALVE
T5 Discharge
temp. sensor
Accumulator
High pressure
switch
Low pressure
switch
T2B-A Evaporator
temp. sensor outlet
T2B-B
T2B-C
T2B-D

Related product manuals