EasyManua.ls Logo

Midea SMK-D140HHN1-3 - Refrigerant Flow Diagrams

Midea SMK-D140HHN1-3
83 pages
Print Icon
To Next Page IconTo Next Page
To Next Page IconTo Next Page
To Previous Page IconTo Previous Page
To Previous Page IconTo Previous Page
Loading...
High Temperature Hydro Module
12 202003
Midea
VR High Temperature Hydro Module
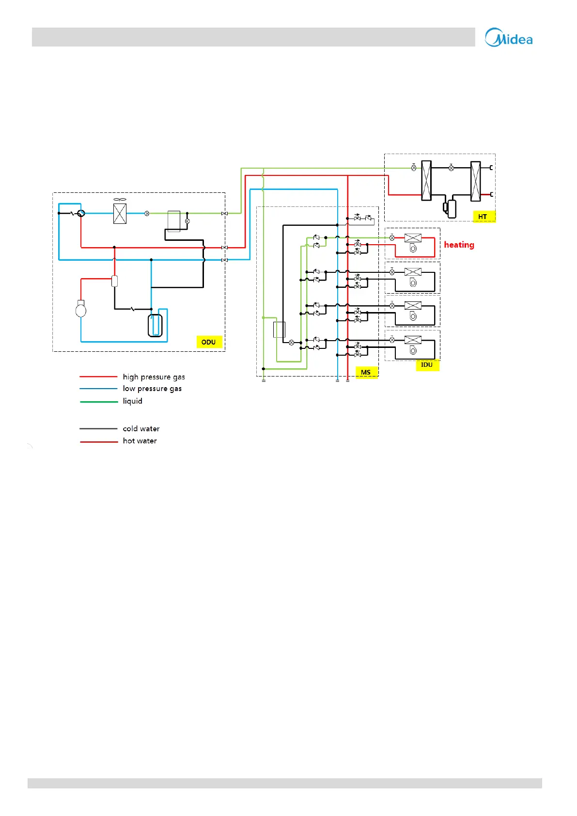
7 Refrigerant Flow Diagrams
ONLY HEATING
Indoor heating + Hydro box
Or only Hydro box

Other manuals for Midea SMK-D140HHN1-3

Related product manuals