EasyManua.ls Logo

Miele MOPSTAR 60 - Page 6

Miele MOPSTAR 60
13 pages
Print Icon
To Next Page IconTo Next Page
To Next Page IconTo Next Page
To Previous Page IconTo Previous Page
To Previous Page IconTo Previous Page
Loading...
PWM 506/508 en-GB
6 11 276 310/11
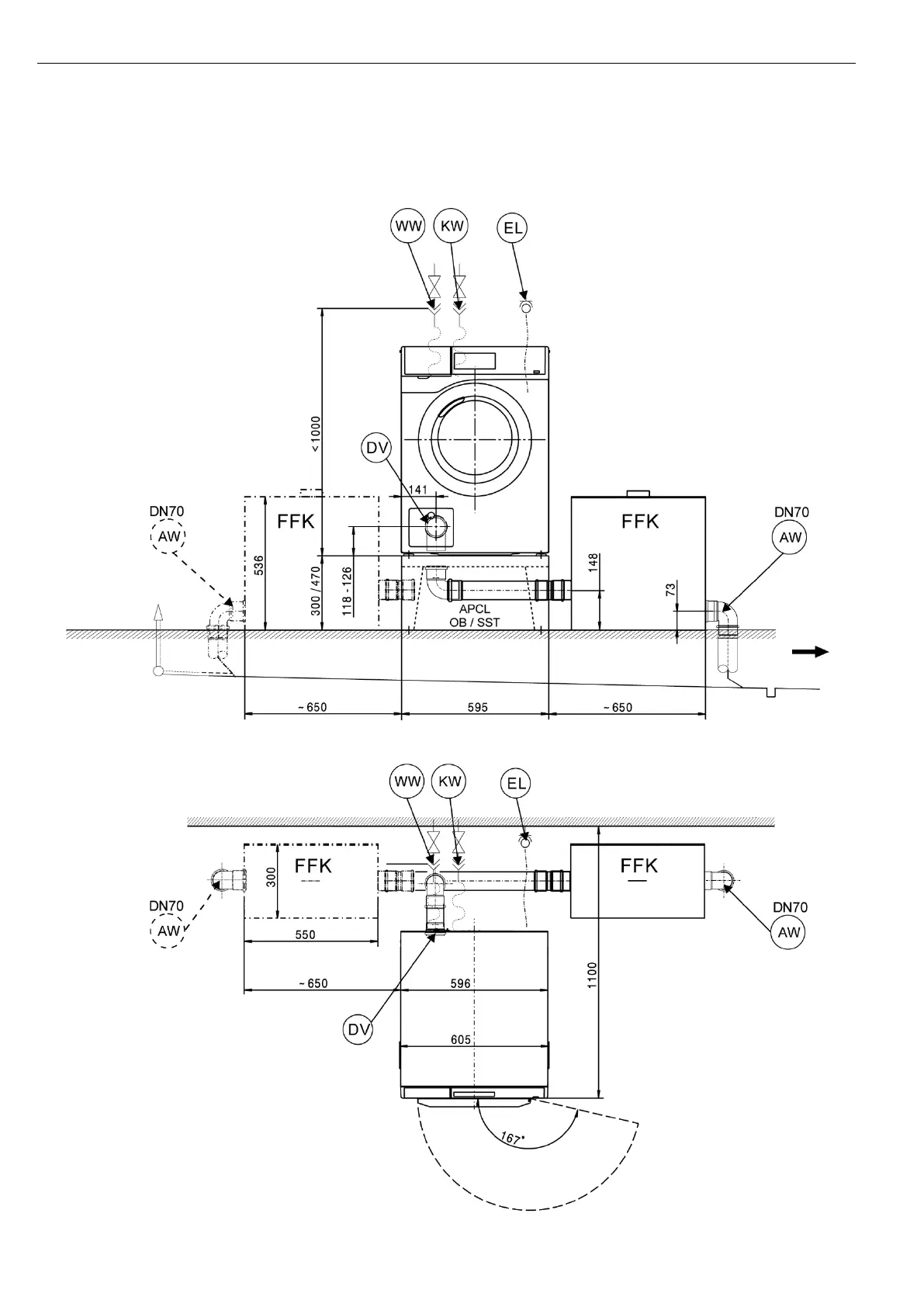
Installation with FFK 01
* The distances between the machine and the wall are recommendations to help make it easier to carry out service
work. If installation space is limited, the machine can also be pushed up against the wall.

Related product manuals