EasyManua.ls Logo

Minebea Intec Maxxis 4 - Page 33

Minebea Intec Maxxis 4
112 pages
Print Icon
To Next Page IconTo Next Page
To Next Page IconTo Next Page
To Previous Page IconTo Previous Page
To Previous Page IconTo Previous Page
Loading...



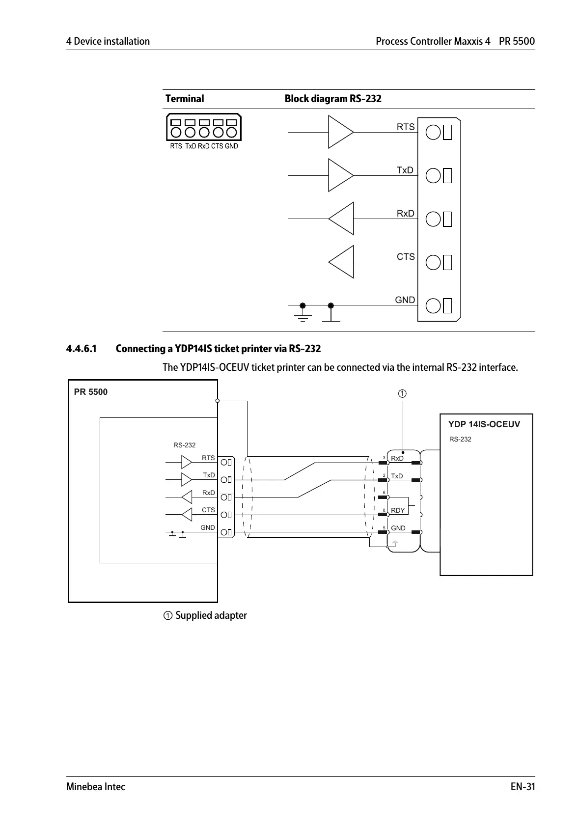
PR 5500
RS-232
TxD
RxD
CTS
GND
RTS
1
RxD
TxD
GND
RDY
2
6
8
5
3
YDP 14IS-OCEUV
RS-232



All manuals and user guides at all-guides.com

Table of Contents