EasyManua.ls Logo

Minebea Intec Maxxis 4 - Page 39

Minebea Intec Maxxis 4
112 pages
Print Icon
To Next Page IconTo Next Page
To Next Page IconTo Next Page
To Previous Page IconTo Previous Page
To Previous Page IconTo Previous Page
Loading...

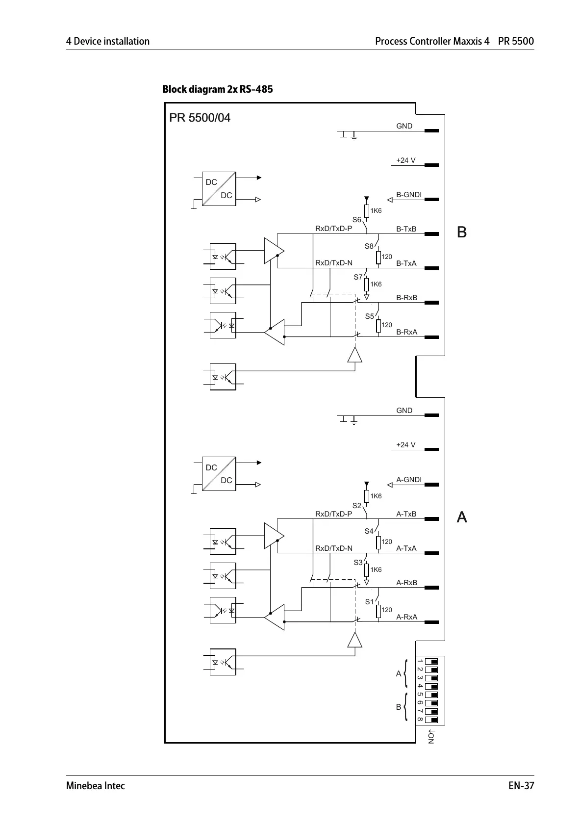
RxD/TxD-P
RxD/TxD-N
S8
S5
S7
120
120
DC
DC
PR 5500/04PR 5500/04
B-TxB
B-TxA
B-RxB
B-RxA
B-GNDI
+24 V
GND
RxD/TxD-P
RxD/TxD-N
S4
120
DC
DC
A-TxB
A-TxA
A-RxB
A-RxA
A-GNDI
+24 V
GND
S6
1K6
1K6
S1
S3
120
S2
1K6
1K6
BB
AA
1 2 3 4 5 6 7 8
ON
A
B
{
{


All manuals and user guides at all-guides.com

Table of Contents