EasyManua.ls Logo

Minebea Intec Maxxis 4 - Page 80

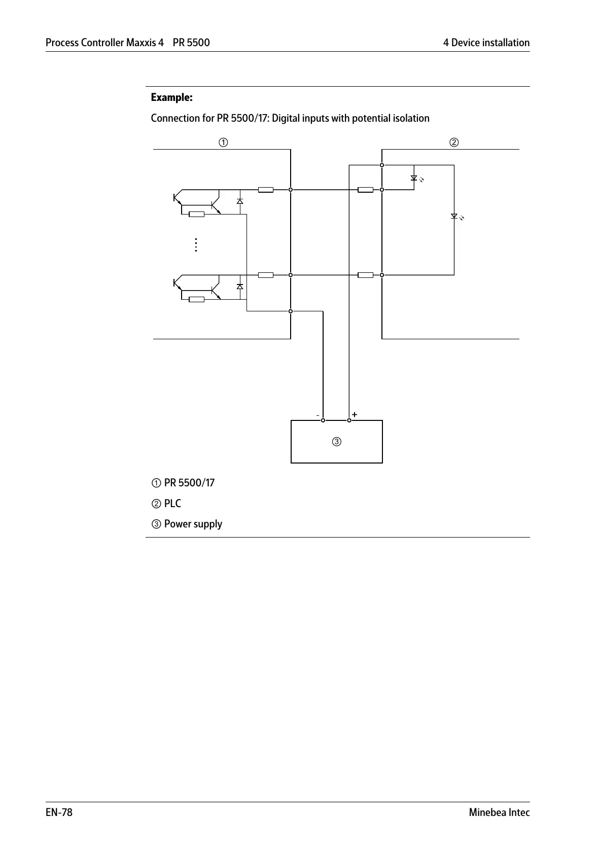
Minebea Intec Maxxis 4
112 pages
Print Icon
To Next Page IconTo Next Page
To Next Page IconTo Next Page
To Previous Page IconTo Previous Page
To Previous Page IconTo Previous Page
Loading...







All manuals and user guides at all-guides.com

Table of Contents