EasyManua.ls Logo

Minolta alpha5 - Page 12

Minolta alpha5
121 pages
Print Icon
To Next Page IconTo Next Page
To Next Page IconTo Next Page
To Previous Page IconTo Previous Page
To Previous Page IconTo Previous Page
Loading...
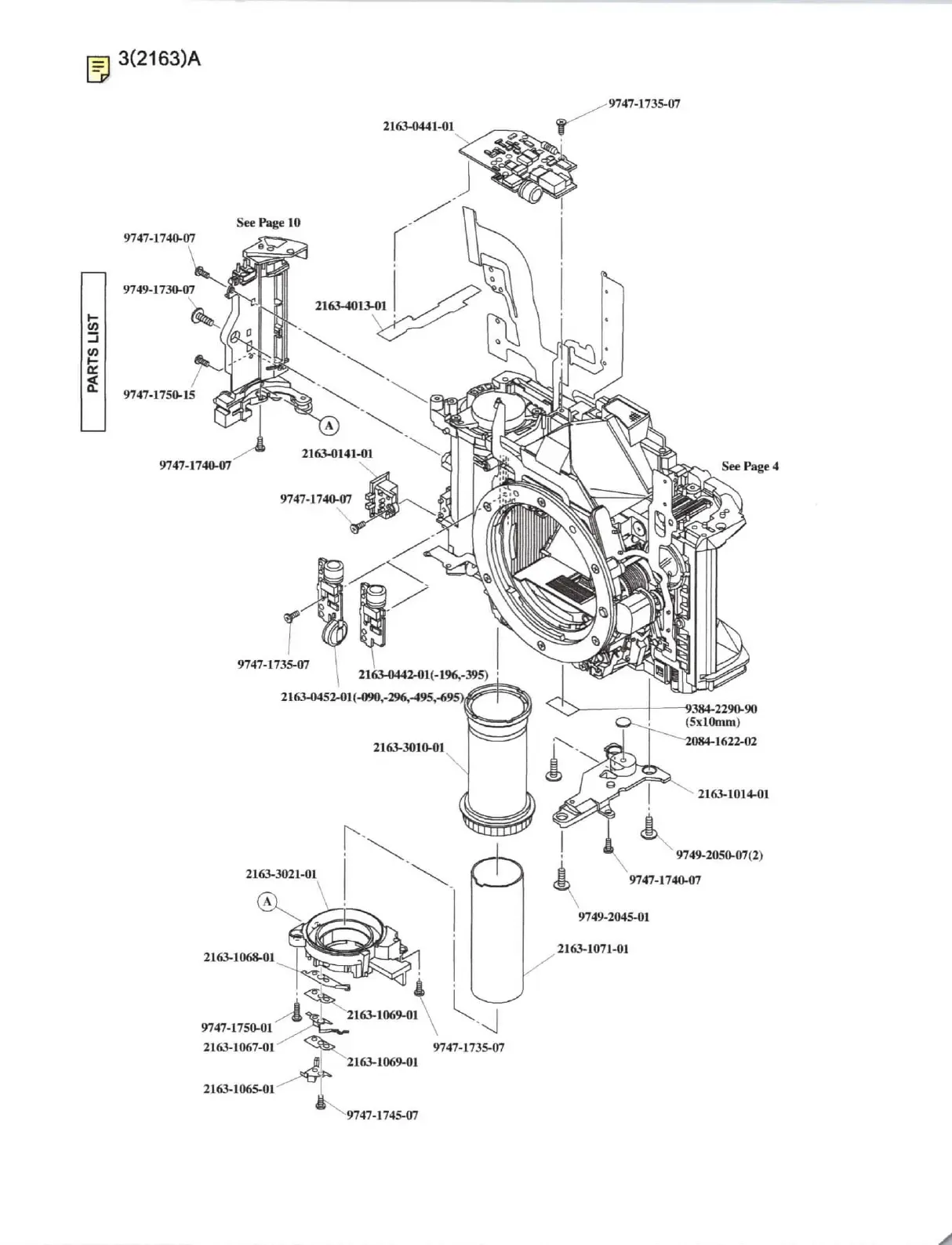
3(2163)A
;
PARTS
LIST
L
See
Page
10
9747-1740-07
9749-1730-07
Aue?
9747-1735-07
2163-0442-01(-196,-395)
|
2163-0452-01
(-090,-296,-495,-695),
2163-3010-01.
2163-1068-01
|
p,
cS
Ne
vb
ASS
2163-1069-01
9747-1750-01
pt
\
)
2163-1067-01°
Se
9747-1735-07
|
2163-1069-01
2163-1065-01°
.9747-1745-07
_-
SAT-AT3S-07
>
9749-2050-07(2)
&
9747-1740-07
9749-2045-01
_2163-1071-01
ra

Related product manuals