EasyManua.ls Logo

Minolta alpha5 - Page 14

Minolta alpha5
121 pages
Print Icon
To Next Page IconTo Next Page
To Next Page IconTo Next Page
To Previous Page IconTo Previous Page
To Previous Page IconTo Previous Page
Loading...
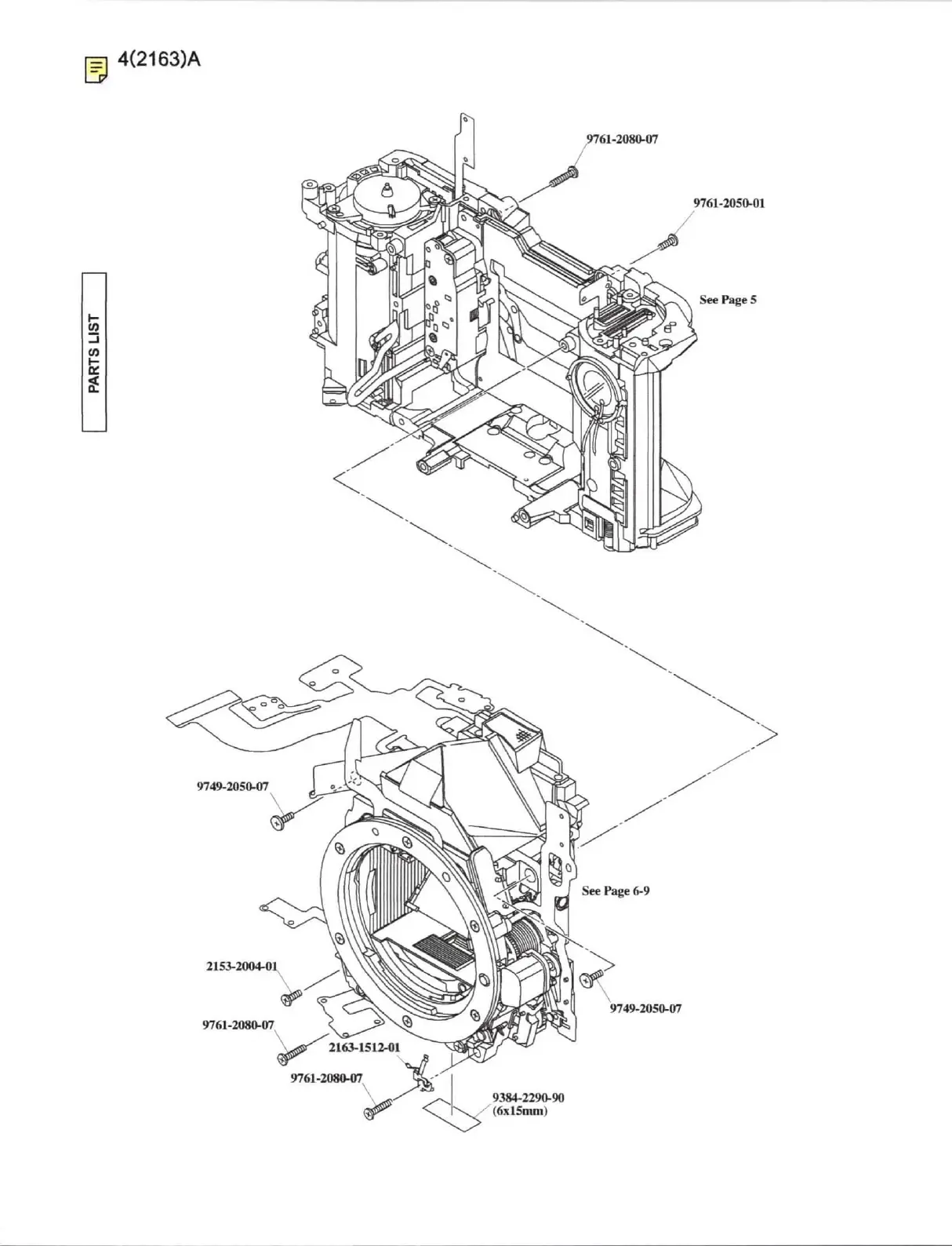
_9384-2290-90
~
(6x15mm)
B
Yee
A
Ss
.
dif
oll)
DBR,
ay
6
a
eae
2
:
a)
Be
|
PARTS
LIST
yor
\
9761-2080-07
2163-1512-01
\
9749-2050-07
9761-2050-01
4(2163)A

Related product manuals