EasyManua.ls Logo

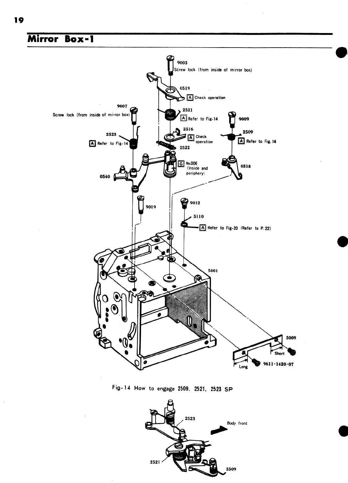
Minolta XE - Mirror Box-1; Fig-14 How to engage 2509, 2521, 2523 SP

Minolta XE
167 pages
Print Icon
To Next Page IconTo Next Page
To Next Page IconTo Next Page
To Previous Page IconTo Previous Page
To Previous Page IconTo Previous Page
Loading...
19
Mirror
Box-1
9003
_f
crew
lock
(from
inside
of
mirror
box)
Screw
lock
(from
inside
of
mirror
box)
F
.
[A]
reter
to
Fig-14
9009
2509
2523
=
|
a |
Check
[A]
Refer
to
Fig-14
a
Bran
[A]
Reter
to
Fig
14
-
G
{Inside and
0518
periphery)
5110
Refer
to
Fig-20
(Refer
to
P.
22)
5009
stort
Long
9611-1420-07
Fig-14
How
to
engage
2509,
2521,
2523
sp
Body
front
2509

Related product manuals