EasyManua.ls Logo

Minolta XE - Mirror Holder; Mirror Box-4; Space Adjust of SW.5; Fig-20 How to engage 5110 SP

Minolta XE
167 pages
Print Icon
To Next Page IconTo Next Page
To Next Page IconTo Next Page
To Previous Page IconTo Previous Page
To Previous Page IconTo Previous Page
Loading...
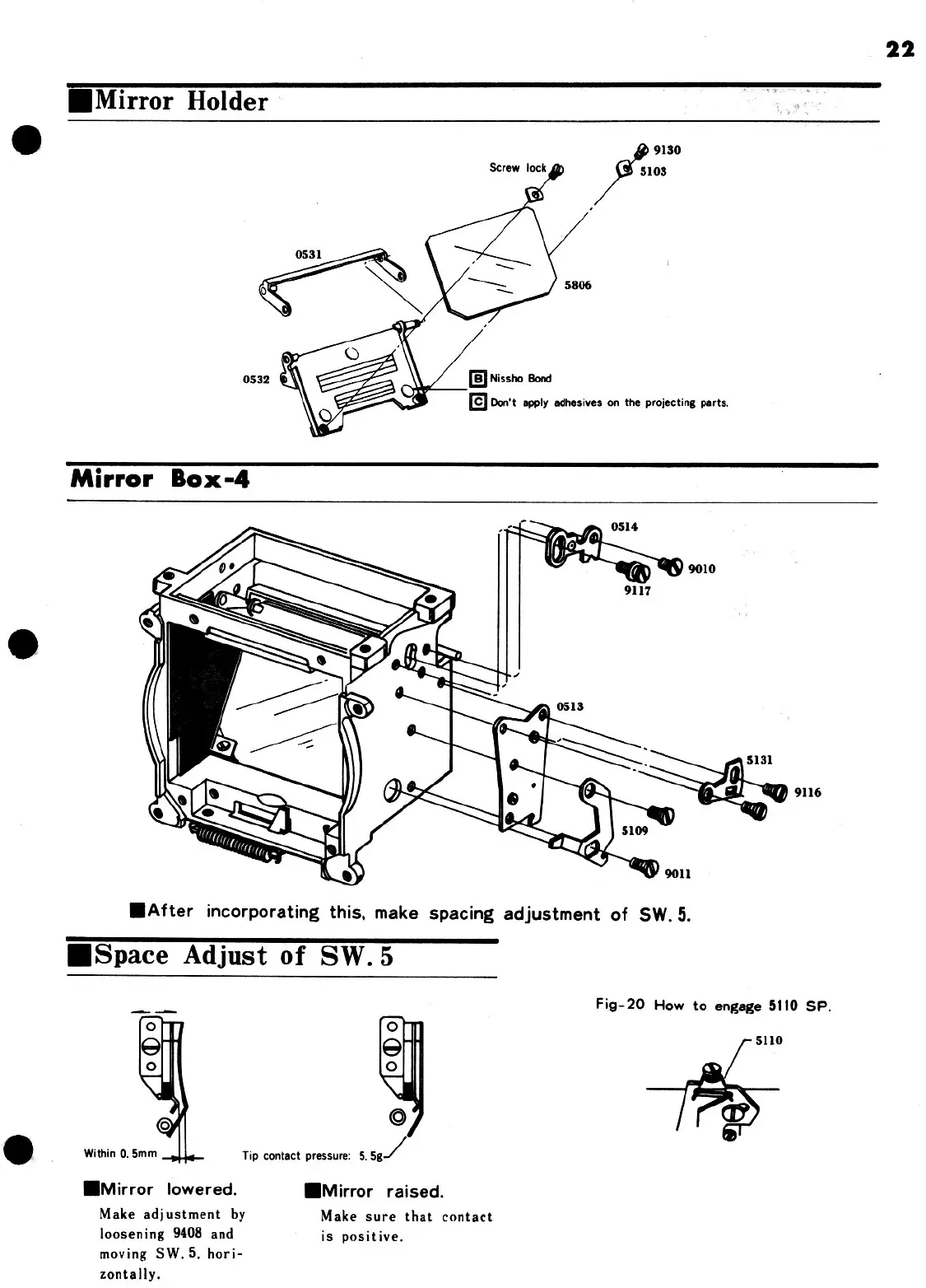
WMirror
Holder
[B]
Nissho
Bond
(J
Don't
apply
adhesives
on
the
projecting
parts.
$131
9116
WAfter
incorporating
this,
make
spacing
adjustment
of
SW.
5.
WiSpace
Adjust
of
SW.5
_
Fig-20
How
to
engage
5110
SP.
5110
0g
@
Within
0.
5mm
Tip
contact
pressure:
5.
a
MMirror
lowered.
@Mirror
raised.
Make
adjustment
by
Make
sure
that
contact
loosening
9408
and
is
positive.
moving
SW.
5.
hori-
zontally.

Related product manuals