EasyManua.ls Logo

Minolta XE - Page 86

Minolta XE
167 pages
Print Icon
To Next Page IconTo Next Page
To Next Page IconTo Next Page
To Previous Page IconTo Previous Page
To Previous Page IconTo Previous Page
Loading...
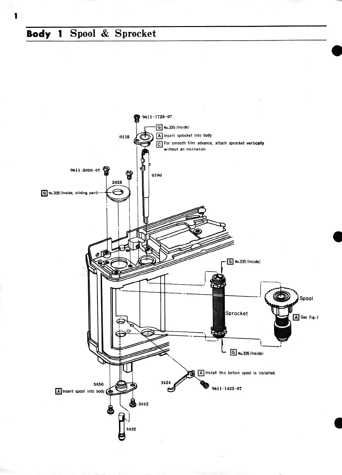
Body
1
Spool
&
Sprocket
9611-1720-07
No.335
(Inside)
0118
Insert
sprocket
into
body
[c]
For
smooth
film
advance,
attach
sprocket
vertically
without
an
inclination
9611-2020-07
&
0190
[GE]
no.335(Inside,
sliding
part)
No.335
(Inside)
[A]
install
this
before
spool
is
installed.
3030
3424
9611
-1425-07

Related product manuals