EasyManua.ls Logo

Mipro MA-101 ACT - Test and Alignment Procedures; Setup, Pre-set, and Measurement Steps

Mipro MA-101 ACT
29 pages
Print Icon
To Next Page IconTo Next Page
To Next Page IconTo Next Page
To Previous Page IconTo Previous Page
To Previous Page IconTo Previous Page
Loading...
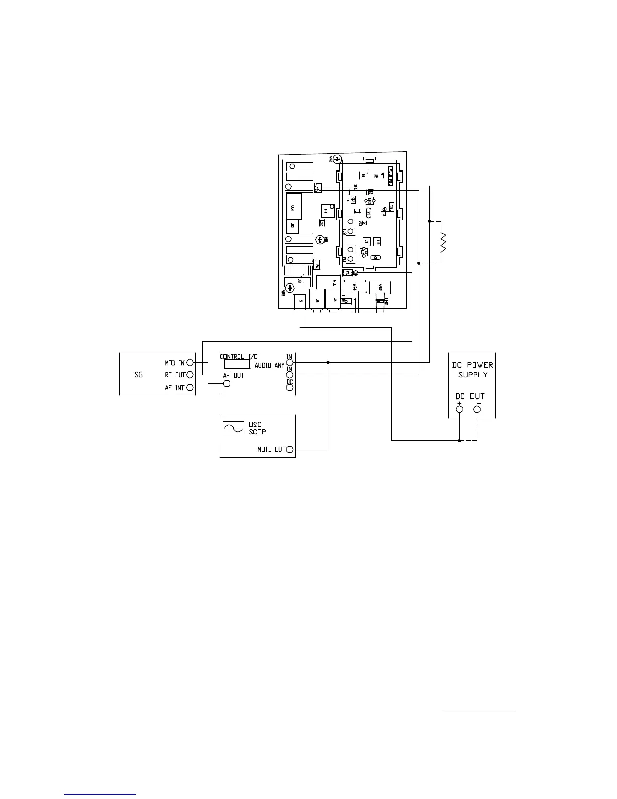
MA-101 ACT TEST AND ALIGNMENT INSTRUCTIONS
一、Measuring instruments and testset-up
二、Pre-set
A. RF Signal Generator
50dBuV OUTPUT Power
EXT. Modulation"ON"
INT. Modulation"ON" and INT AF set to 32.768KHz
Derivation:40KHz
B. Audio analyzer
AF OUT 400Hz-9dBV
100Hz High PASS “ON”
20K LOW PASS “ON”
C. Dc power supply
18V(DC)/110V-240V(AC) Switching Power.
A101ACTR03A
SRVICE/TECHNICAL MANUALS

Related product manuals