EasyManua.ls Logo

Mirae Mx Series - Page 388

Mirae Mx Series
681 pages
Print Icon
To Next Page IconTo Next Page
To Next Page IconTo Next Page
To Previous Page IconTo Previous Page
To Previous Page IconTo Previous Page
Loading...
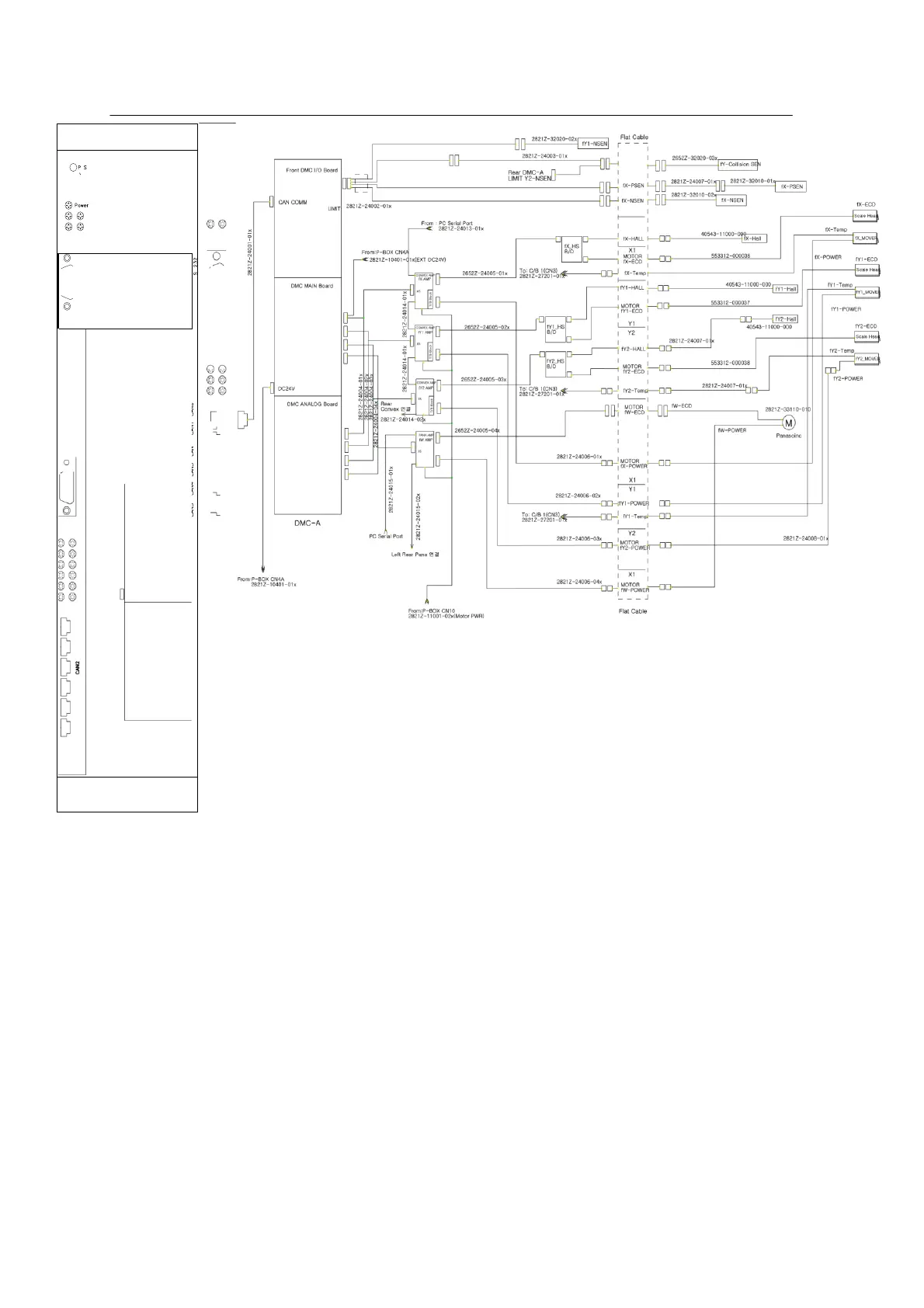
5-36 Mx-Series Manual
Front Gantry Block Diagram
From:P-BOX CN8
2821Z-10801-02x(AMP Cont PWR)
CAN

Table of Contents

Related product manuals