EasyManua.ls Logo

Mirae Mx Series - Page 445

Mirae Mx Series
681 pages
Print Icon
To Next Page IconTo Next Page
To Next Page IconTo Next Page
To Previous Page IconTo Previous Page
To Previous Page IconTo Previous Page
Loading...
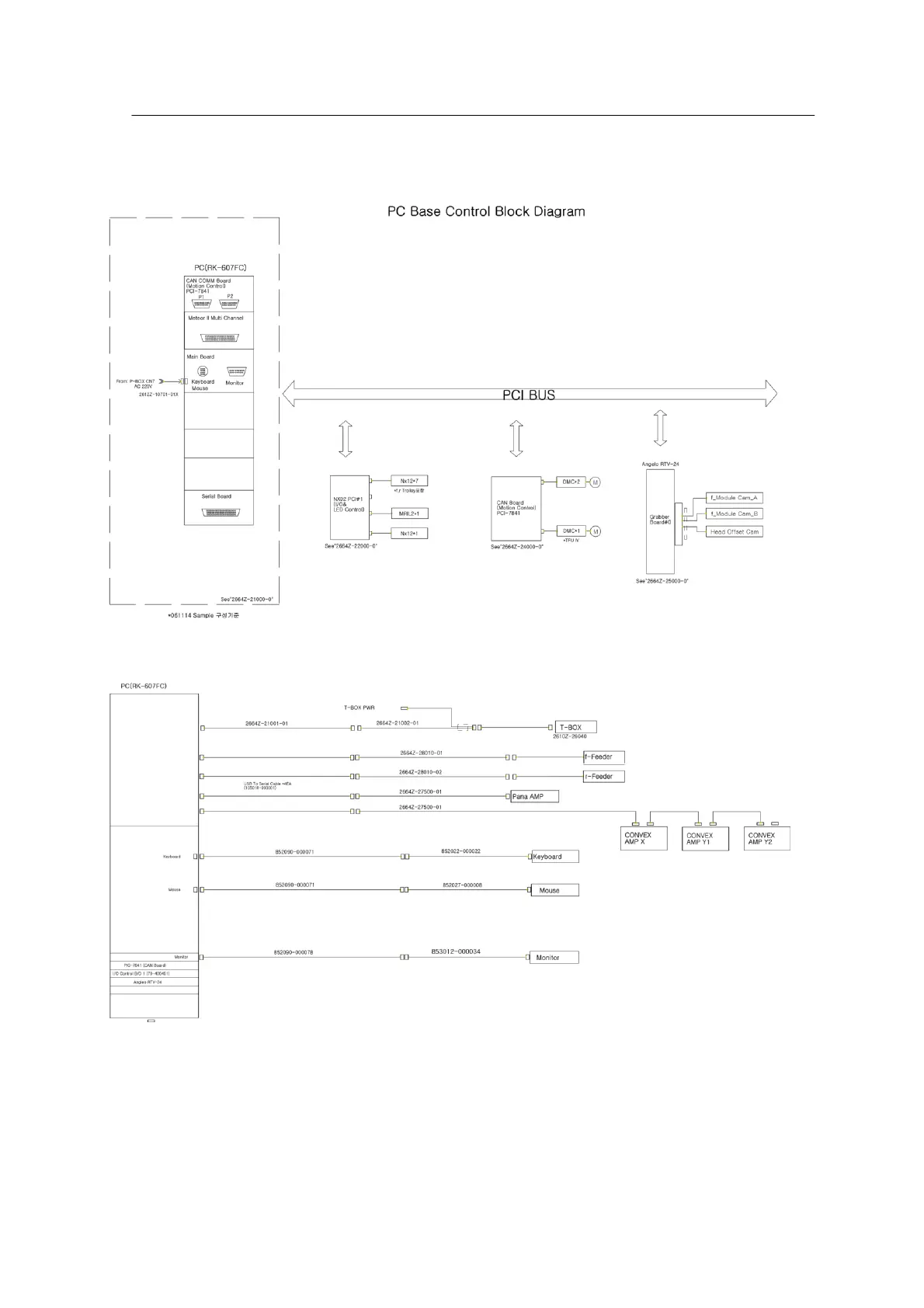
Appendix G-3
Mx100 SYSTEM
Main Board Block Diagram

Table of Contents

Related product manuals