EasyManua.ls Logo

Mitsubishi Electric EHSD-YM9C - Page 33

Mitsubishi Electric EHSD-YM9C
98 pages
Print Icon
To Next Page IconTo Next Page
To Next Page IconTo Next Page
To Previous Page IconTo Previous Page
To Previous Page IconTo Previous Page
Loading...
33
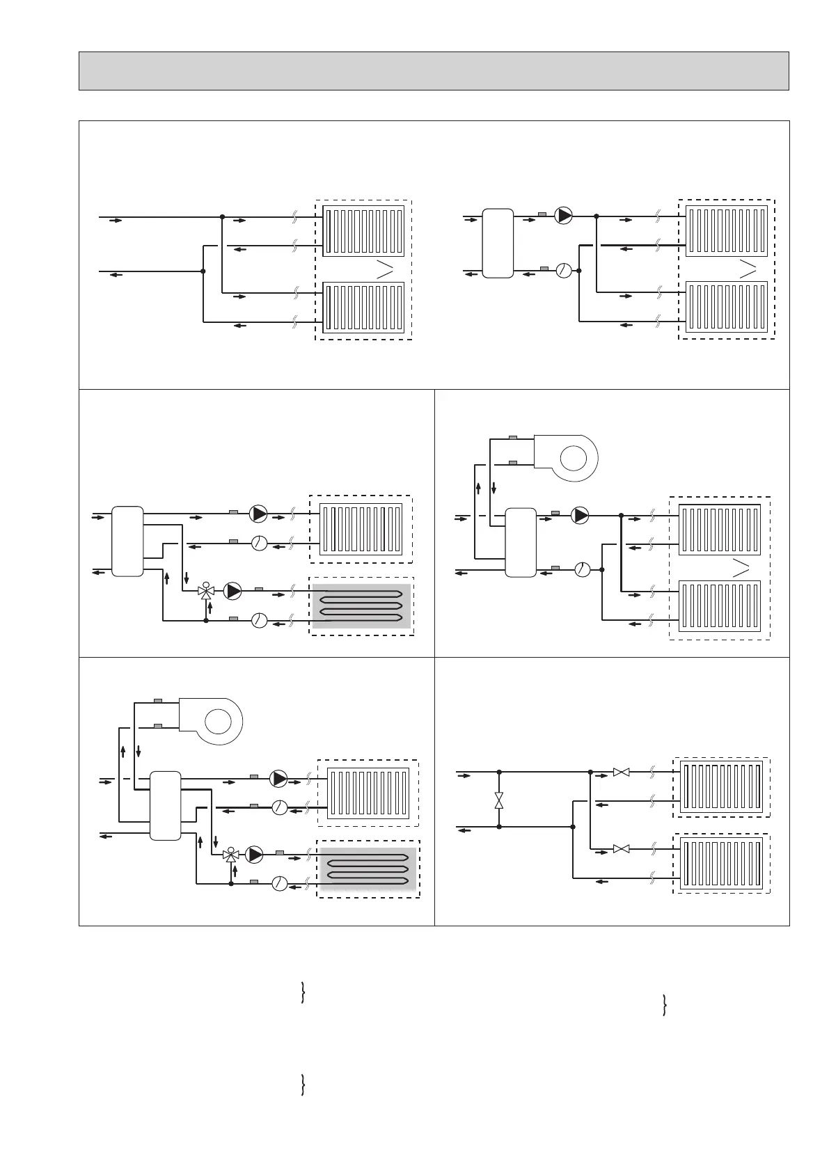
1-zone temperature control
2-zone temperature control 1-zone temperature control with boiler
2-zone temperature control with boiler
1-zone temperature control (2-zone valve ON/OFF control)
Local system
3
7
5
2
4
6
8
9
11
11
1
12
10
11
Zone1
Zone2
1
2
3
5
6
4
Zone1
1
5
4
3
6
2
13
14
15
Zone1
2
13
14
15
7
5
4
3
6
1
8
9
10
11
12
Zone1
Zone2
*
1
Flow switch specications: 12 V DC / 1 mA / Both normally-open and normally-closed types can be used. (Set DIP switch 3 to select the logics. Refer to “6-16. DIP switch functions”.)
1. Zone1 heat emitters (e.g. radiator, fan coil unit) (local supply)
2. Mixing tank (local supply)
3. Zone1 ow water temp. thermistor (THW6)
4. Zone1 return water temp. thermistor (THW7)
5. Zone1 water circulation pump (local supply)
6. Zone1 ow switch (local supply) *
1
7. Motorized mixing valve (local supply)
8. Zone2 ow water temp. thermistor (THW8)
9. Zone2 return water temp. thermistor (THW9)
Optional part :
PAC-TH011-E
Optional part :
PAC-TH011-E
10. Zone2 water circulation pump (local supply)
11. Zone2 ow switch (local supply) *
1
12. Zone2 heat emitters (e.g. underoor heating) (local supply)
13. Boiler ow water temp. thermistor (THWB1)
14. Boiler return water temp. thermistor (THWB2)
15. Boiler (local supply)
16. Zone1 2-way valve (local supply)
17. Zone2 2-way valve (local supply)
18. Bypass valve (local supply)
Optional part :
PAC-TH011HT-E
1
Zone1
16
18
Zone1
Zone2
17
OCH571D