EasyManua.ls Logo

Mitsubishi Electric MXZ-4A80VA - E2 - Page 84

Mitsubishi Electric MXZ-4A80VA - E2
192 pages
Print Icon
To Next Page IconTo Next Page
To Next Page IconTo Next Page
To Previous Page IconTo Previous Page
To Previous Page IconTo Previous Page
Loading...
84
MXZ-4A80VA
-
E1
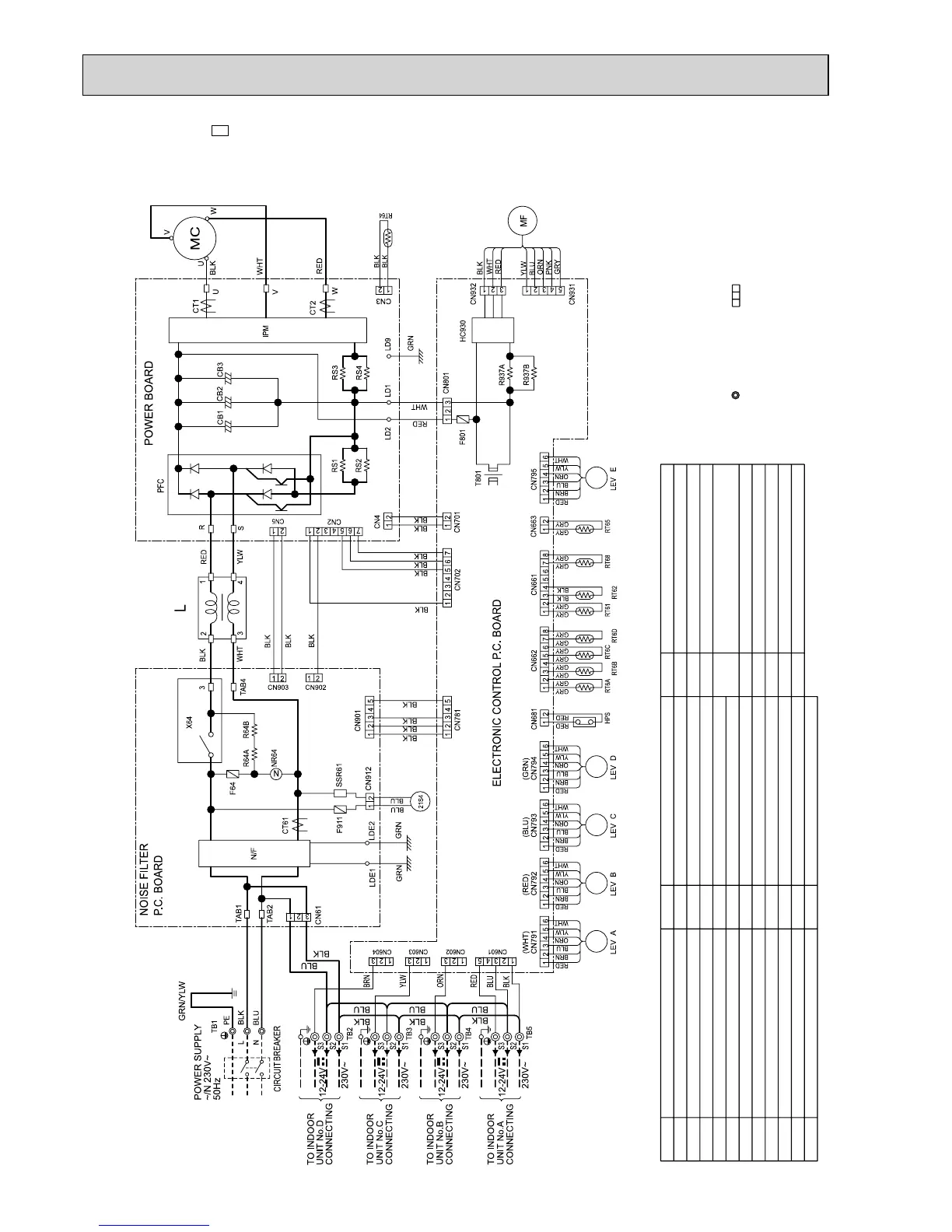
:Terminal block :Connector
3.Symbols below indicate.
2.Use copper conductors only (for field wiring).
diagram for servicing.
refer to the indoor unit electric wiring
1.About the indoor side electric wiringNOTES:
SYMBOL
NAME
SYMBOL
NAME
CURRENT TRANSFORMER
FUSE (T2AL250V)
FUSE (T1AL250V)
LEV A~D
EXPANSION VALVE
L
REACTOR
IPM
INTELLIGENT POWER MODULE
HPS
HIGH PRESSURE SWITCH
CT61
CT1, 2
CURRENT TRANSFORMER
HC930
INTELLIGENT POWER MODULE
F64
F911
F801
FUSE (T3.15AL250V)
SMOOTHING CAPACITORCB1~3
OUTDOOR FAN MOTOR
POWER FACTOR CONTROLLER
NOISE FILTER
RT61
DEFROST THERMISTOR
RT6A~D
GAS PIPE TEMPERATURE THERMISTOR
RS1~4
RESISTOR
R937A, B
RESISTOR
MF
MC
COMPRESSOR
R64A,B
RESISTOR
PFC
N/F
NR64 VARISTOR
EXPANSION VALVELEV E
AMBIENT TEMPERATURE THERMISTOR
SOLENOID COIL RELAY
21S4
R.V. COIL
X64
RELAY
TB1~5
TERMINAL BLOCK
RT65
RT64
FIN TEMPERATURE THERMISTOR
T801
TRANSFORMER
SSR61
RT68
OUTDOOR HEAT EXCHANGER
TEMPERATURE THERMISTOR
DISCHARGE TEMPERATURE THERMISTOR
RT62
NAME
SYMBOL