EasyManua.ls Logo

Mitsubishi SCM60ZD-S - Electrical Data and Wiring; Electrical Component Symbols; Electrical Wiring Diagrams

Mitsubishi SCM60ZD-S
40 pages
To Next Page IconTo Next Page
To Next Page IconTo Next Page
To Previous Page IconTo Previous Page
To Previous Page IconTo Previous Page
Loading...
-
25
-
3 ELECTRICAL DATA
Meaning of marks
• Outdoor Unit
• Indoor Unit
FMI
CFI
SM
Tr
ZNR
F
Parts name
Fan motor
Capacitor (for FM
I)
Flap motor
Transformer
Varistor
Fuse
Symbol
DM
FS
Th
I-A
Th
I-R1
ThI-R2
Parts name
Drain motor
Float switch
Thermistor (room temp.)
Thermistor (indoor H.X temp.)
Thremistor (indoor H.X temp.)
Symbol
CM
FM
O
CFO
L
DS1
Q11
Parts name
Compressor motor
Fan motor
Capacitor (for FM
O)
Reactor
Diode stack
Power transistor
Symbol
EEVA ~ D
20S
Tho-A
Tho-R
Tho-D
Tho-C
Parts name
Electronic expansion valve
4 way valve (coil)
Thermistor (outdoor air temp.)
Thermistor (outdoor H.X temp.)
Thermistor (discharge pipe temp.)
Thermistor (suction pipe temp.)
Symbol
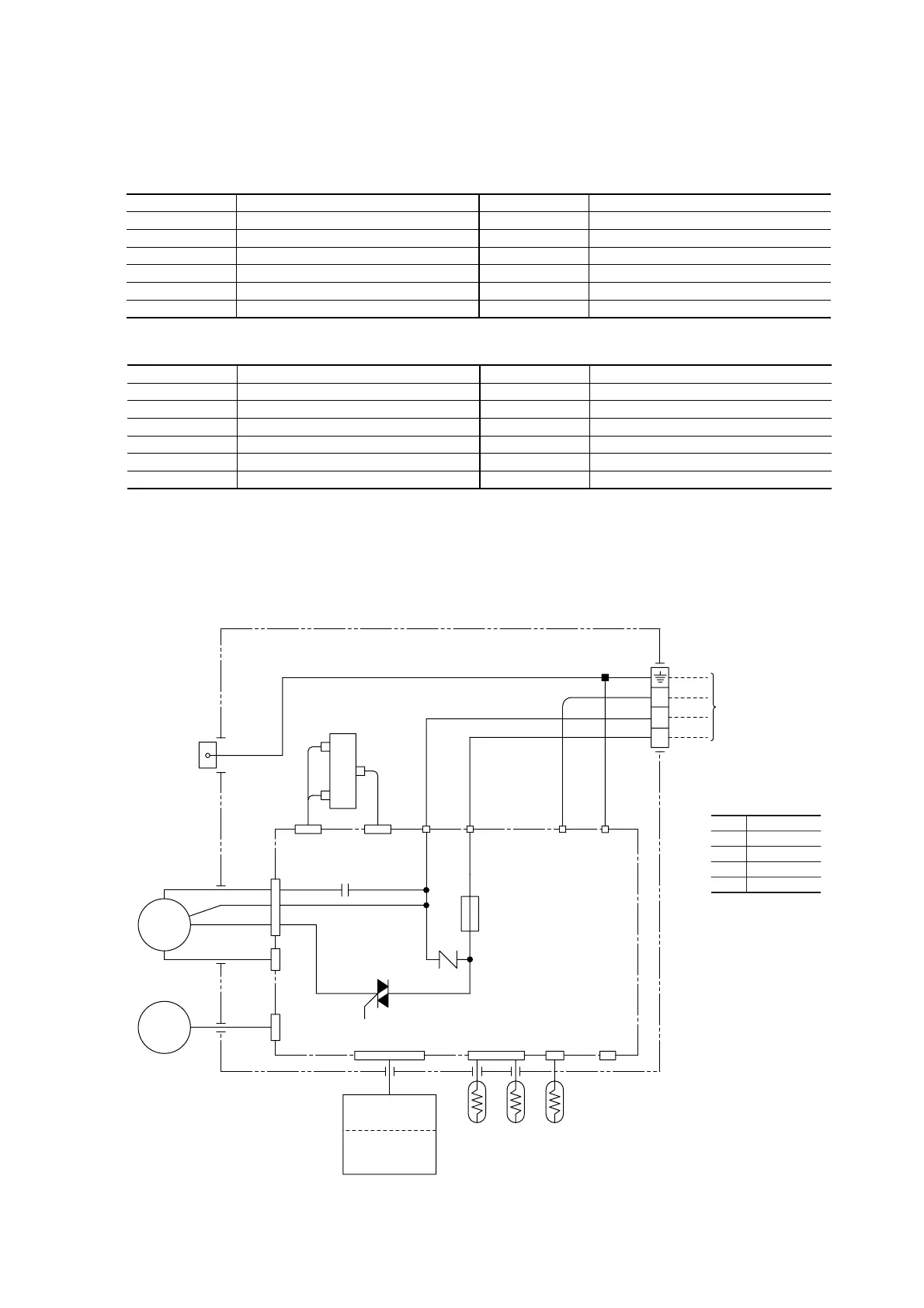
3.1 Electrical wiring
(1) Indoor unit
Models SKM22ZD-S, 25ZD-S, 28ZD-S, 35ZD-S
CNW
CF
I
HEAT
EXCHANGER
Power line
(Outdoor unit)
CNM
CNU
CNC
Tr
F
(250V 3.15A)
Printed circuit
board
1
52C-4
N
ZNR
IC8
3
5
1
WH
2/N
3
SM
FM
I
BK
RD
WH
Y/GN
RD
WH
BR
TB
RD
J
Y/GN
G
BK
CNB
CNE
CNG CNF
Back up
switch
Th
I
-A Th
I
-R
2
Th
I
-R
1
Display
Wireless
R-Amp
Black
Brown
Red
White
Yellow/Green
BK
BR
RD
WH
Y/GN
Color symbol

Related product manuals