EasyManua.ls Logo

Mitsubishi SCM60ZD-S - Page 29

Mitsubishi SCM60ZD-S
40 pages
To Next Page IconTo Next Page
To Next Page IconTo Next Page
To Previous Page IconTo Previous Page
To Previous Page IconTo Previous Page
Loading...
-
26
-
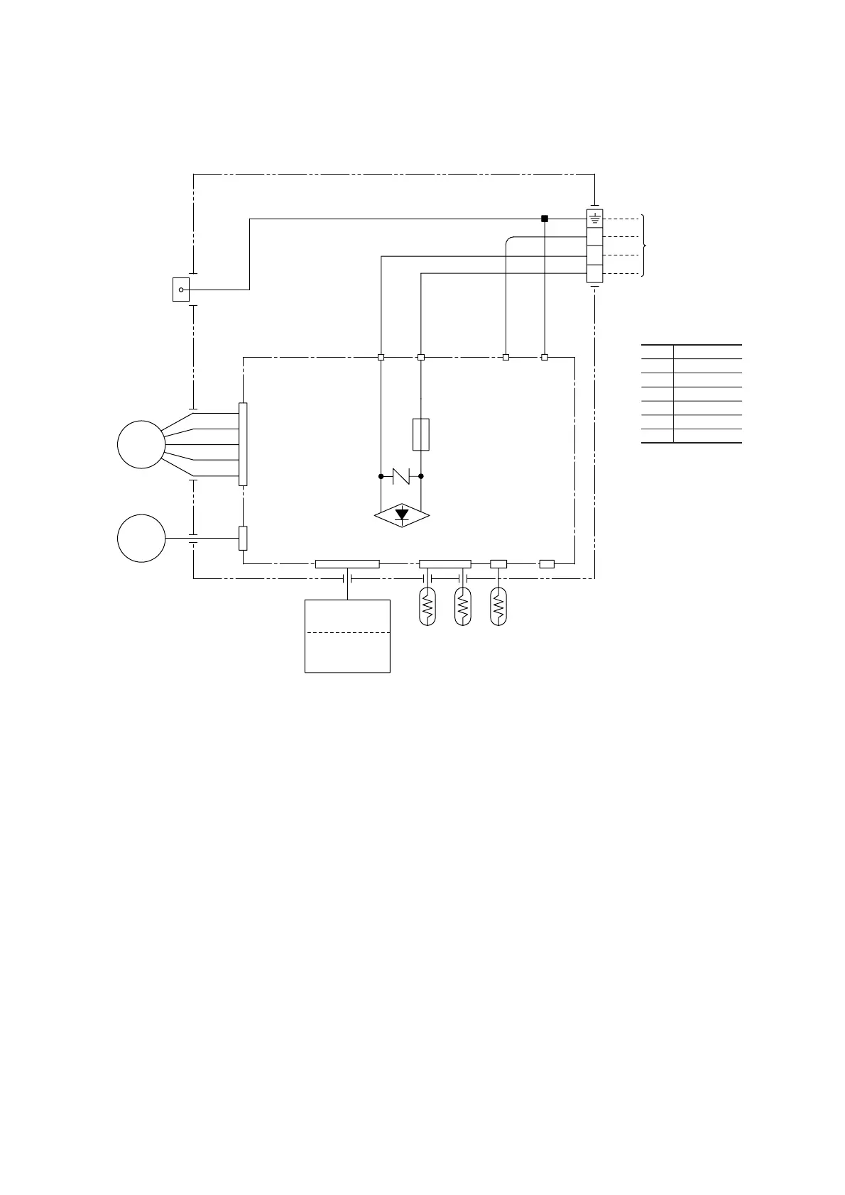
HEAT
EXCHANGER
Power line
(Outdoor unit)
CNM
F
(250V 3.15A)
Printed circuit
board
1
52C-4
N
~~
ZNR
WH
2/N
3
SM
FM
I
BK
RD
WH
Y/GN
RD
1
3
4
5
6
WH
BL
CNU
Y
BK
TB
RD
J
Y/GN
G
BK
CNE
CNG CNF
Back up
switch
ThI-A ThI-R2
ThI-R1
Display
Wireless
R-Amp
Black
Brown
Red
White
Yellow/Green
BK
BR
RD
WH
Blue
Yellow
BL
Y
Y/GN
Color symbol
Model SKM50ZD-S

Related product manuals