EasyManua.ls Logo

Mitsubishi SRK12CR-S6 - Outdoor Units

Mitsubishi SRK12CR-S6
118 pages
To Next Page IconTo Next Page
To Next Page IconTo Next Page
To Previous Page IconTo Previous Page
To Previous Page IconTo Previous Page
Loading...
-
28
-
'15 • SRK-T-171
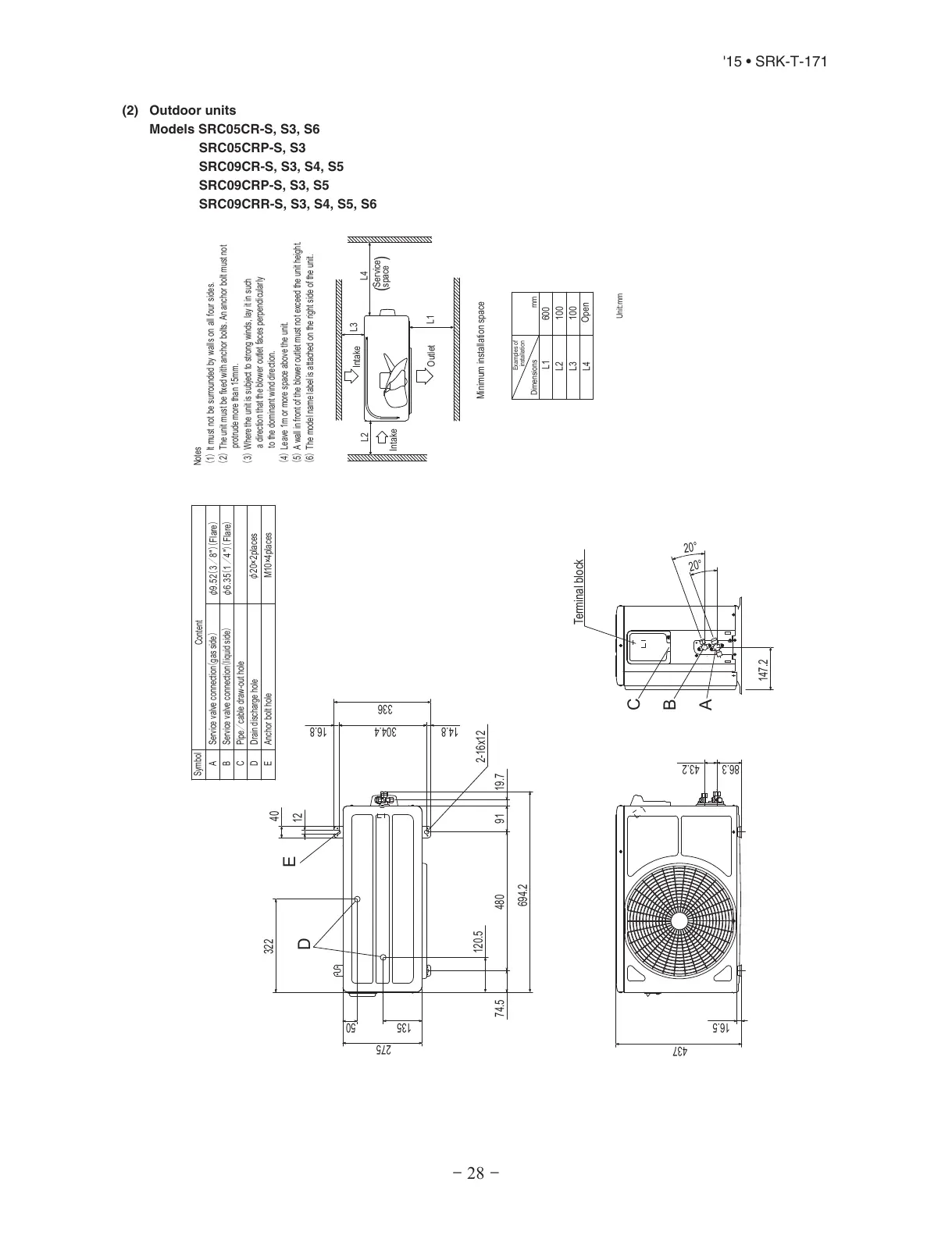
(2) Outdoor units
Models SRC05CR-S, S3, S6
SRC05CRP-S, S3
SRC09CR-S, S3, S4, S5
SRC09CRP-S, S3, S5
SRC09CRR-S, S3, S4, S5, S6
eralF"8325.9φ
Content
C Pipecable draw-out hole
D
E Anchor bolt hole
Drain discharge hole
Symbol
B
A Service valve connectiongas side
M10×4places
φ20×2places
Service valve connectionliquid side
eralF"41
53.6φ
Minimum installation space
Notes
.sedisruofllanosllawybdednuorrusebtontsumtI1
2The unit must be fixed with anchor bolts. An anchor bolt must not
protrude more than 15mm.
3Where the unit is subject to strong winds, lay it in such
a direction that the blower outlet faces perpendicular ly
to the dominant wind direction.
4Leave 1m or more space above the unit.
5A wall in front of the blower outlet must not exceed the unit height.
6The model name label is attached on the right side of the unit.
L2
L3
L4
L1 600
100
100
Examples of
Dimensions
Unit:mm
mm
installation
Outlet
Intake
L3
L1
L2
Intake
Service
space
( )
L4
Open
322
50
40
12
135
275
120.5
74.5 480 91 19.7
694.2
16.8304.414.8
336
2-16x12
Terminal block
147.2
2
0
°
20
°
86.3 43.2
16.5
437
E
D
B
C
A
All manuals and user guides at all-guides.com

Related product manuals